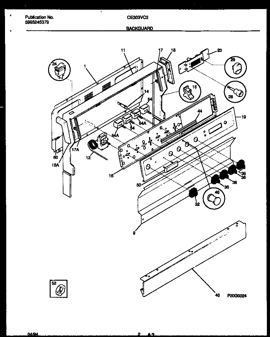
CE303VC3W1 02 – BACKGUARDadmin2025-04-26T08:46:29+00:00CE303VC3W1 02 – BACKGUARD ProductsPositionProduct*96977RETAINER-LENS*96978WCI 3204745*96978WCI 53032725551SHIELD-BACKGUARD,REAR WALL9WCI 31604360111WCI 320476412WCI 530321274514ALIGHT/LAMP, INDICATOR, BLUE, 250 V14WCI 530803789615SUPPORT-BACKGUARD,(2)16PLATE, INSTRUMENT MTG17TRIM-GLASS RETAINER,RH17ATRIM-GLASS RETAINER,LH18AWCI 320474618WCI 320474719PANEL-CONTROL20WCI 5303272309245308015487 Frigidaire Switch-Oven Light28BUTTON-CLOCK29KNOB-TIMER BUTTON32WCI 31601680336WCI 31601690240WCI 31600922244WCI 313146846JEWEL LENS-AMBER50WCI 31605210052NUT, TWIST545303935086 Frigidaire Oven Top Burner Switch Kit60SCREW-END CAP