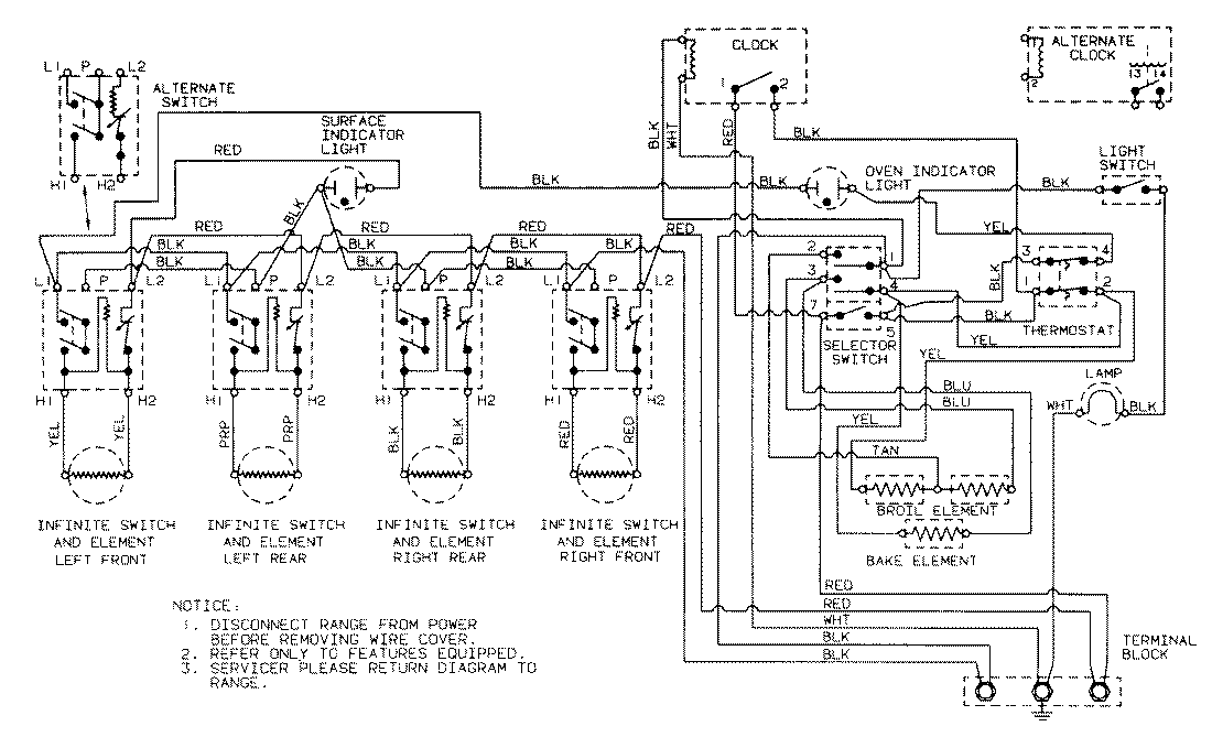
CE3500PPA 10 – WIRING INFORMATIONadmin2025-04-26T09:25:38+00:00CE3500PPA 10 – WIRING INFORMATION ProductsPositionProductNIMAY 15001148