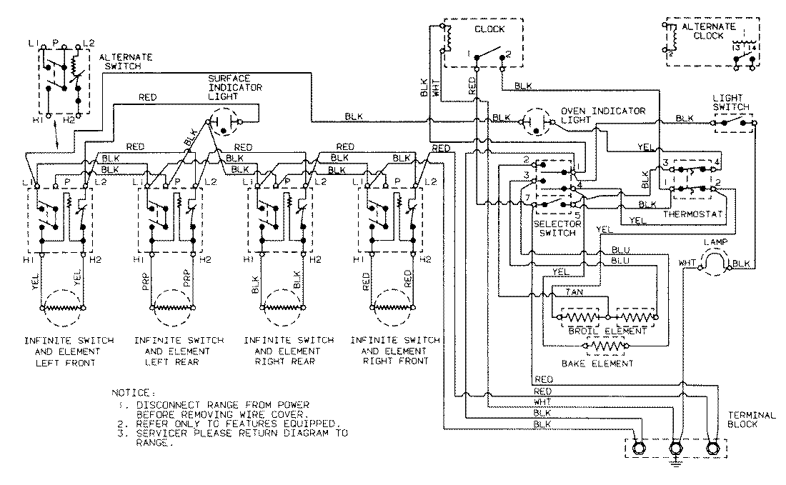
CE3500PPW 10 – WIRING INFORMATIONadmin2025-04-26T09:25:57+00:00CE3500PPW 10 – WIRING INFORMATION ProductsPositionProductNIMAY 15001148