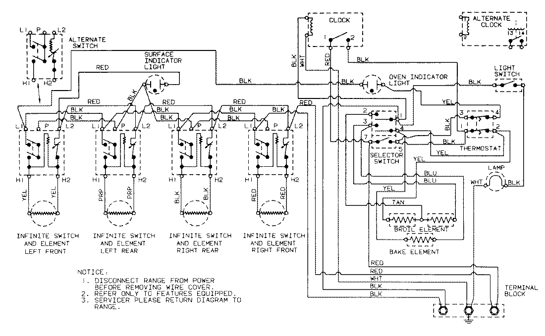
CE3520SPA 05 – WIRING INFORMATIONadmin2025-04-26T09:29:37+00:00CE3520SPA 05 – WIRING INFORMATION ProductsPositionProductNIMAY 15001468