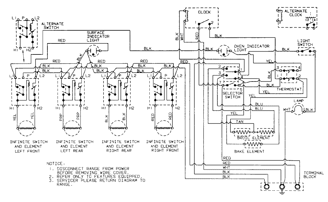
CE3520SPW 05 – WIRING INFORMATIONadmin2025-04-26T09:26:39+00:00CE3520SPW 05 – WIRING INFORMATION ProductsPositionProductNIMAY 15001468