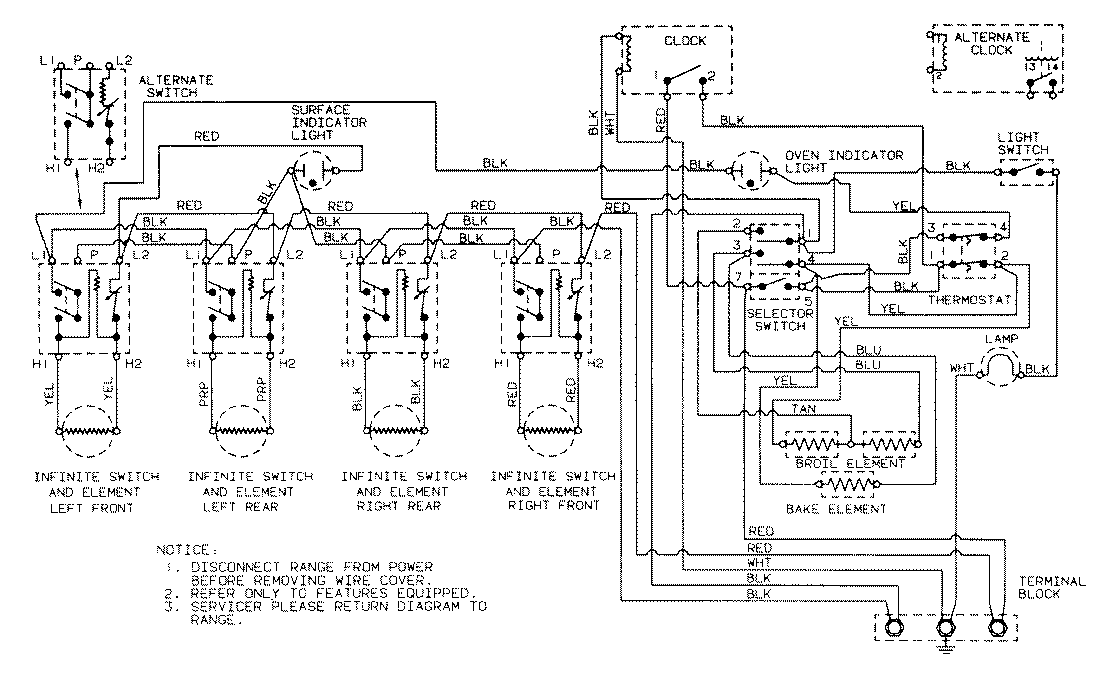
CE3520SRW 09 – WIRING INFORMATIONadmin2025-04-26T09:29:13+00:00CE3520SRW 09 – WIRING INFORMATION ProductsPositionProductNIMAY 15001468