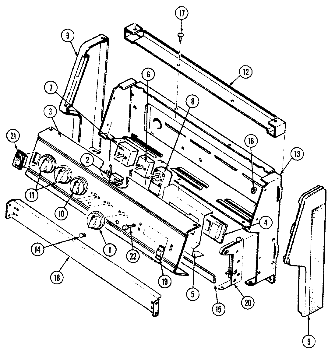
CE3531WRV 03 – CONTROL PANEL (CE3531WRV)admin2025-04-26T09:30:29+00:00CE3531WRV 03 – CONTROL PANEL (CE3531WRV) ProductsPositionProductNIMAY 7703P558-60NIMAY 5170D118-60NIMAY 5125A371-60NIMAY 8113P023-602W10852510 Whirlpool Indicator Light3MAY 7101P333-603MAY 7703P557-604MAY 7602P104-604MAY 7101P293-605MAY 3801F266-455MAY 7109P020-605MAY 7118P019-606WP7403P255-60 Whirlpool Selector Switch7WP7403P239-60 Whirlpool Oven Switch7WP7403P238-60 Whirlpool Infinite Switch (Small Element)8MAY 7404P081-609MAY 7726P086-609MAY 7726P085-6011MAY 7731P081-6011SCREW12MAY 4001F064-5113MAY 4001F091-5114W11690131 Whirlpool Light Lens15MAY 3604F201-8016MAY 7103P129-6017MAY 7118P015-6018MAY 3802F087-5119MAY 7711P472-6020MAY 3418A088-3420MAY 3418A087-3421MAY 7403P314-6022MAY 7711P473-60