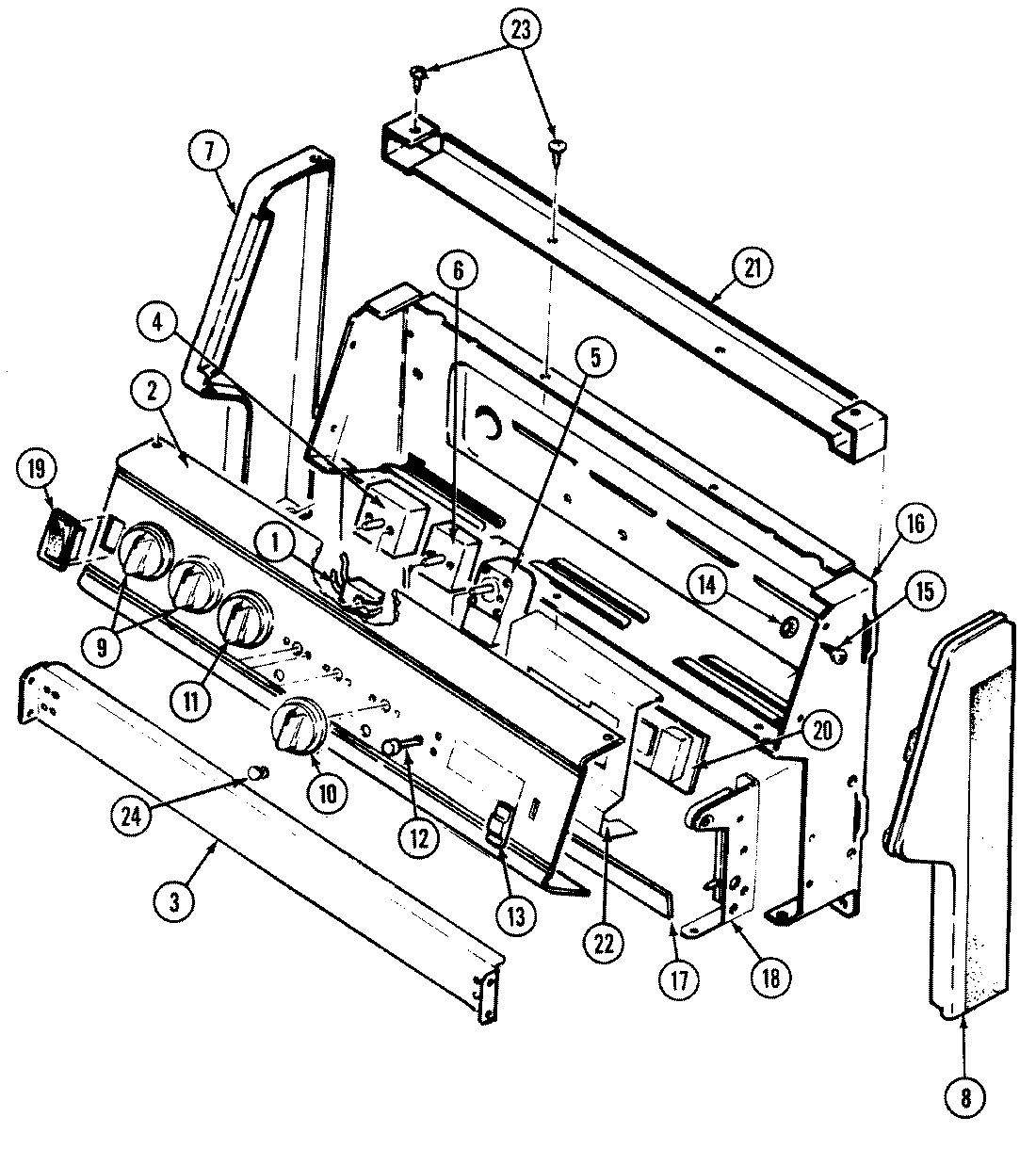
CE3537XRW 02 – CONTROL PANELadmin2025-04-26T09:31:13+00:00CE3537XRW 02 – CONTROL PANEL ProductsPositionProductNIMAY 8113P002-60NIMAY 8112P105-601W10852510 Whirlpool Indicator Light2MAY 4876S071-592MAY 7101P332-603MAY 3802F088-514WP7403P238-60 Whirlpool Infinite Switch (Small Element)4WP7403P239-60 Whirlpool Oven Switch5MAY 7404P081-606SCREW6WP7403P255-60 Whirlpool Selector Switch7MAY 7726P059-608MAY 7726P060-6011MAY 7731P082-6012MAY 7711P468-6013MAY 7711P469-6014MAY 7103P129-6015MAY 7118P015-6016MAY 4001F091-5117MAY 3604F201-8018MAY 3418A087-3418MAY 3418A088-34197403P067-60 Whirlpool Light Switch20MAY 7602P104-6020MAY 7101P293-6021MAY 4001F064-5122MAY 3801F266-4523MAY 7118P019-6024W11690131 Whirlpool Light Lens24MAY 5170D118-6024MAY 5175D077-60