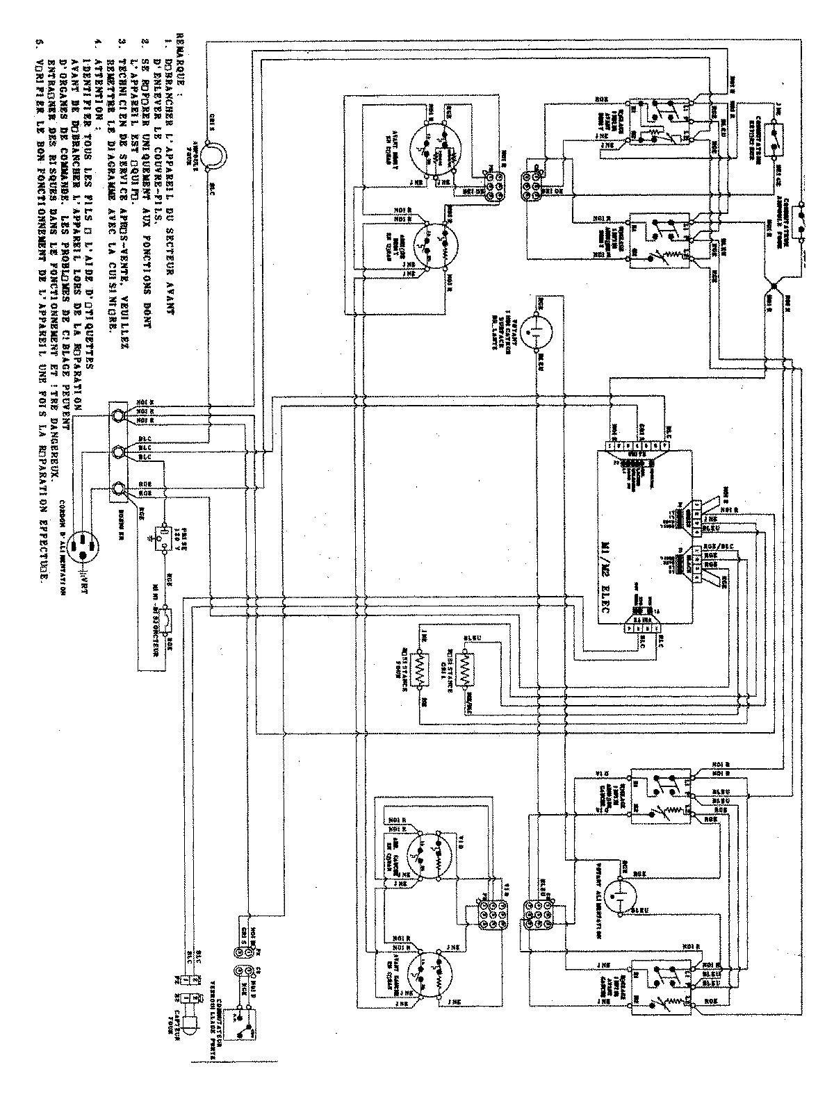
CE35400ACV 08 – WIRING INFORMATION

CE35400ACV 08 – WIRING INFORMATION

Products

PositionProduct
1MAY 15003618