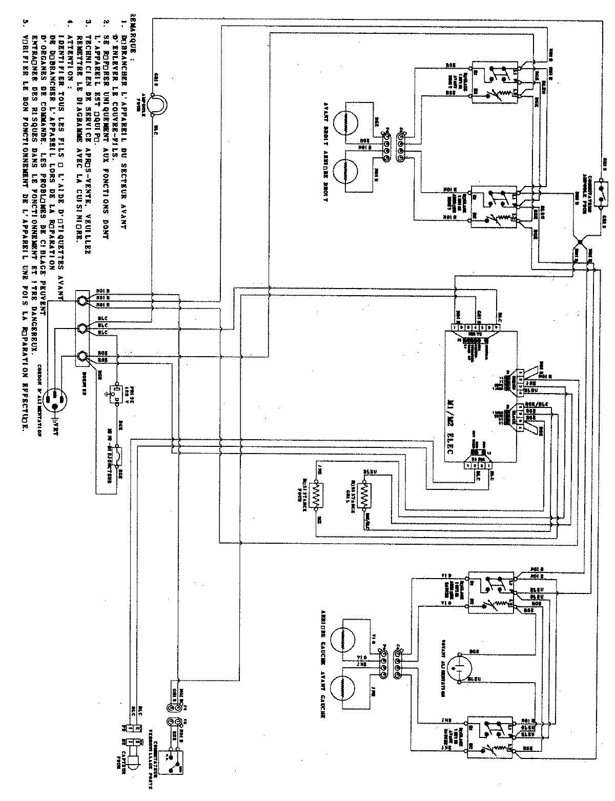
CE38600ACV 09 – WIRING INFORMATION

CE38600ACV 09 – WIRING INFORMATION

Products

PositionProduct
NIMAY 15003612