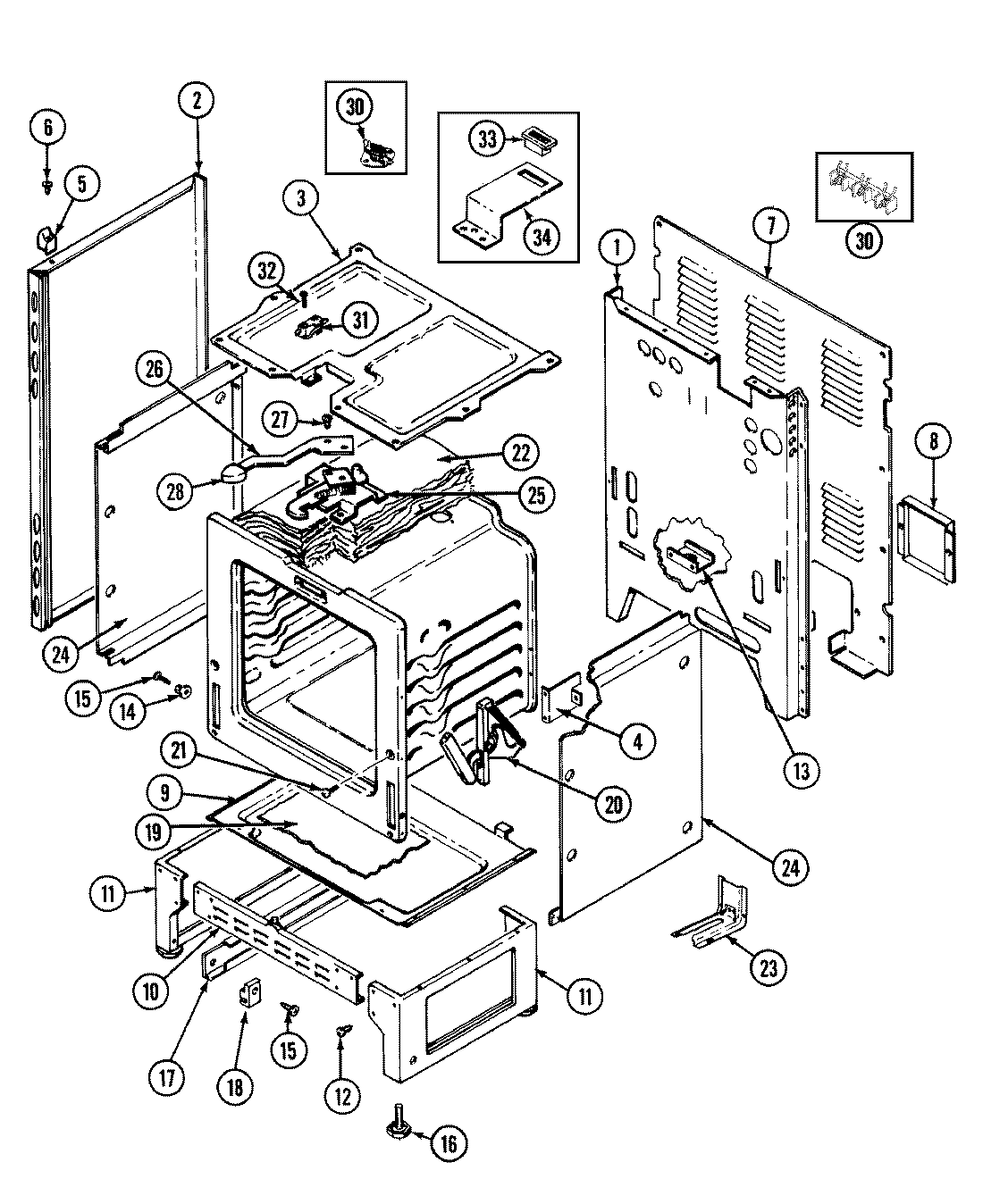
CE3878VRV 01 – BODY