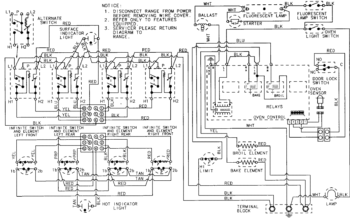
CE3878VVD 06 – WIRING INFORMATIONadmin2025-04-26T09:29:58+00:00CE3878VVD 06 – WIRING INFORMATION ProductsPositionProductNIMAY 15001430