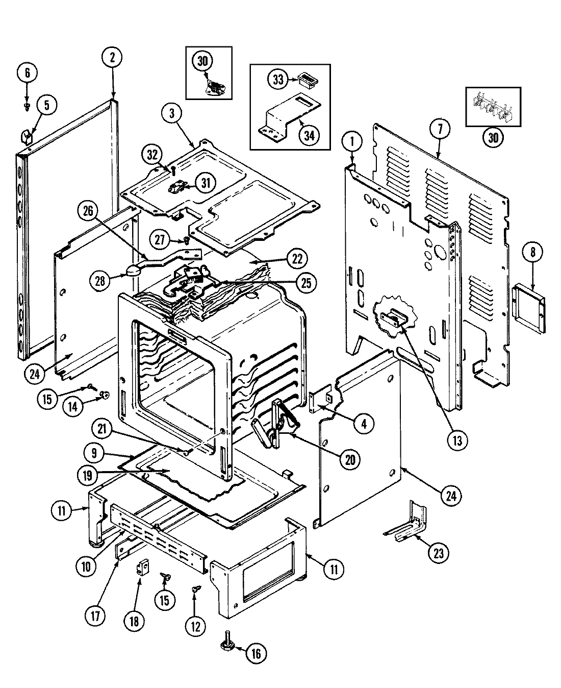
CE3878XRB 01 – BODYadmin2025-04-26T09:30:35+00:00CE3878XRB 01 – BODY ProductsPositionProductNIMAY 5195D082-601MAY 4002F184-802MAY 2618F099-702MAY 2618F085-703MAY 4011F207-194SUPPORT,OVEN REAR5SPACER, MAIN TOP (LT)5SPACER, MAIN TOP (RT)6MAY 7118P013-607MAY 4005F348-518MAY 4005F427-519MAY 3804F109-5110MAY 4020F001-8011MAY 4020W007-8012MAY 7101P290-6013MAY 3605F174-5114MAY 8004P024-6015MAY 7101P300-6016MAY 7101P306-6017MAY 3406F028-5118MAY 8004P025-6019MAY 8312P058-6020MAY 7106P033-6021SCREW, HINGE22MAY 4804F030-6022MAY 4804F029-6023MAY 3801F218-5123MAY 7101P289-6024MAY 3804F103-5125MAY 7101P280-6025MAY 8002P025-6026MAY 8009P016-6027MAY 7109P015-6027SCREW, LEVER28MAY 7112P003-6028MAY 7701P088-6029MAY 7401P041-6030MAY 7403P160-6031MAY 7403P228-6032MAY 7101P130-6033MAY 7407P089-6033MAY 7407P097-6034MAY 5175D052-6034MAY 3801F302-45