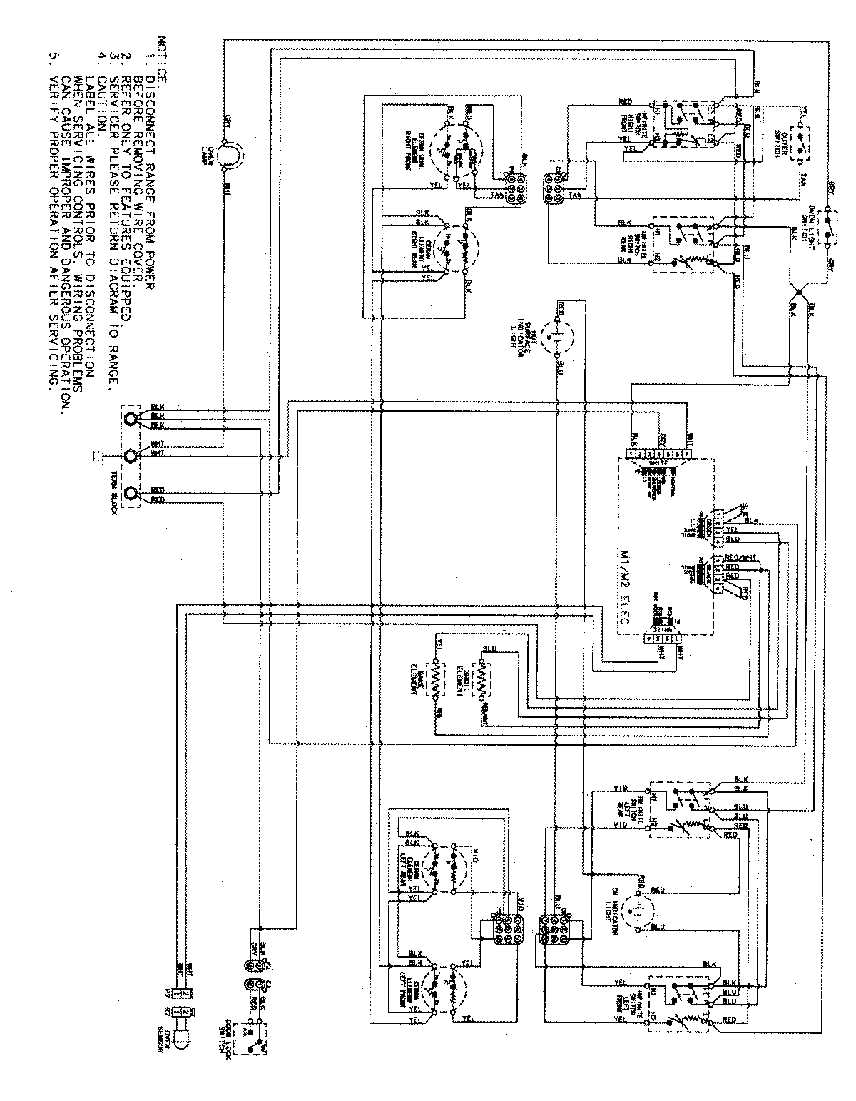
CE38800AAV 07 – WIRING INFORMATIONadmin2025-04-26T09:29:29+00:00CE38800AAV 07 – WIRING INFORMATION ProductsPositionProductNIMAY 15003514