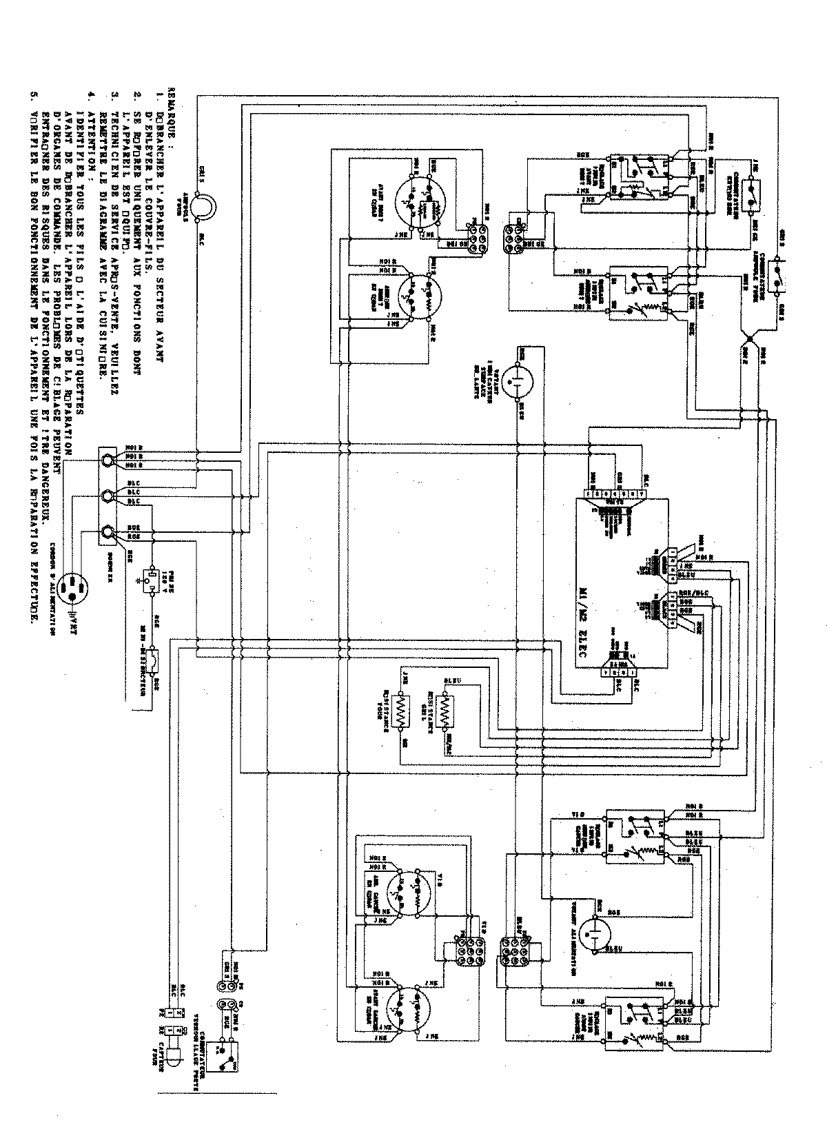
CE38800ACS 07 – WIRING INFORMATIONadmin2025-04-26T09:29:46+00:00CE38800ACS 07 – WIRING INFORMATION ProductsPositionProduct1MAY 15003616