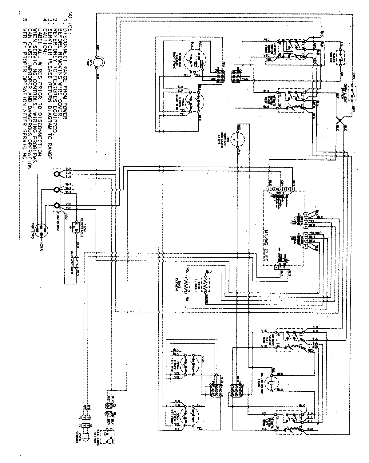
CE38800ACV 07 – WIRING INFORMATION

CE38800ACV 07 – WIRING INFORMATION

Products

PositionProduct
NIMAY 15003615