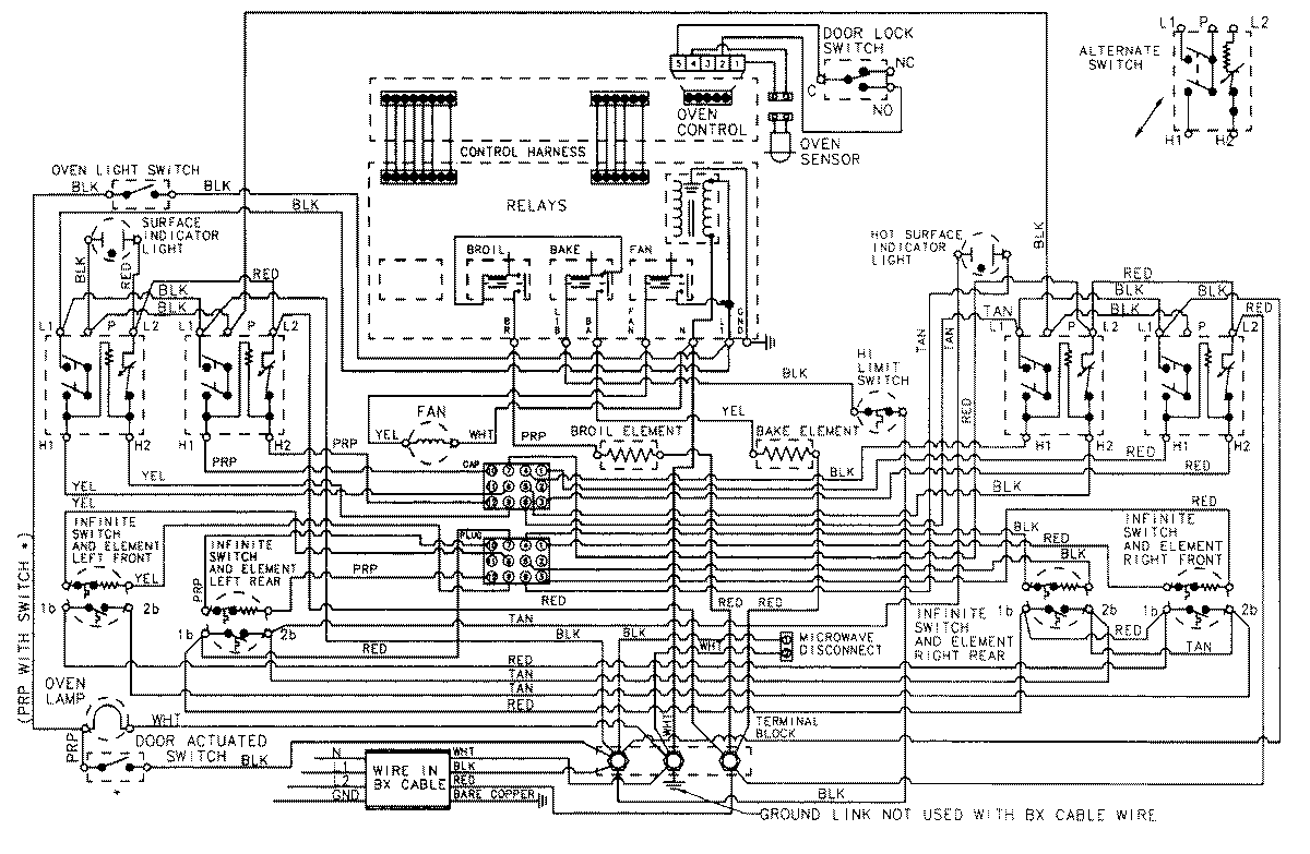
CE6898VVA 06 – WIRING INFORMATIONadmin2025-04-26T09:29:28+00:00CE6898VVA 06 – WIRING INFORMATION ProductsPositionProductNIMAY 15001408