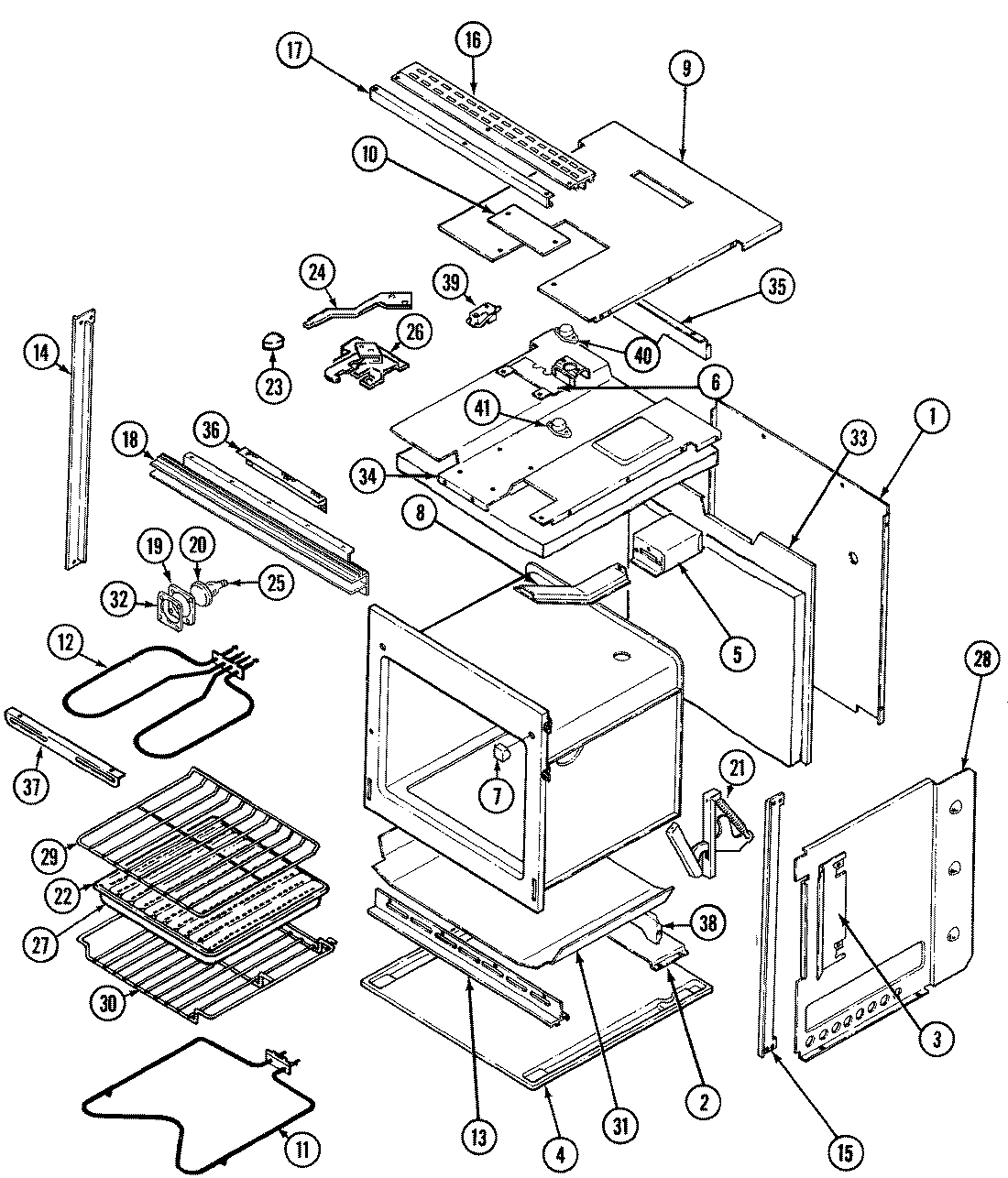
CE9814XPB 03 – OVENadmin2025-04-26T08:57:46+00:00CE9814XPB 03 – OVEN ProductsPositionProduct1MAY 4002F039-512MAY 3601F005-803MAY 3601F130-514MAY 4003F011-805MAY 4006W046-156MAY 3801F128-457MAY 8003P009-608MAY 3818W002-159MAY 4005F202-5110MAY 4005F160-4511MAY 7406P075-6012MAY 7406P076-6013MAY 7706P153-6014MAY 7750P031-6015MAY 7750P032-6016MAY 7706P114-6017MAY 7719P031-6017MAY 7756P013-6018MAY 7756P070-6019MAY 7201P014-6020MAY 7201P015-6021MAY 7106P037-6022MAY Y3413F0161923MAY 7701P068-6024MAY 8009P011-6025MAY 7407P026-6025MAY 7408P034-60268002P072-60 Whirlpool Door Latch27MAY Y3401F0201928MAY 2618F113-5128MAY 2618F114-5129MAY 7801P005-6030MAY 7801P007-6031MAY 3804W034-5132MAY 3804F011-4533MAY 3804F096-5134MAY 3804F053-5135MAY 3604F101-8036MAY 3604F048-8037MAY 3807F176-1538MAY 3807F137-8039MAY 7403P007-6041MAY 7403P001-60