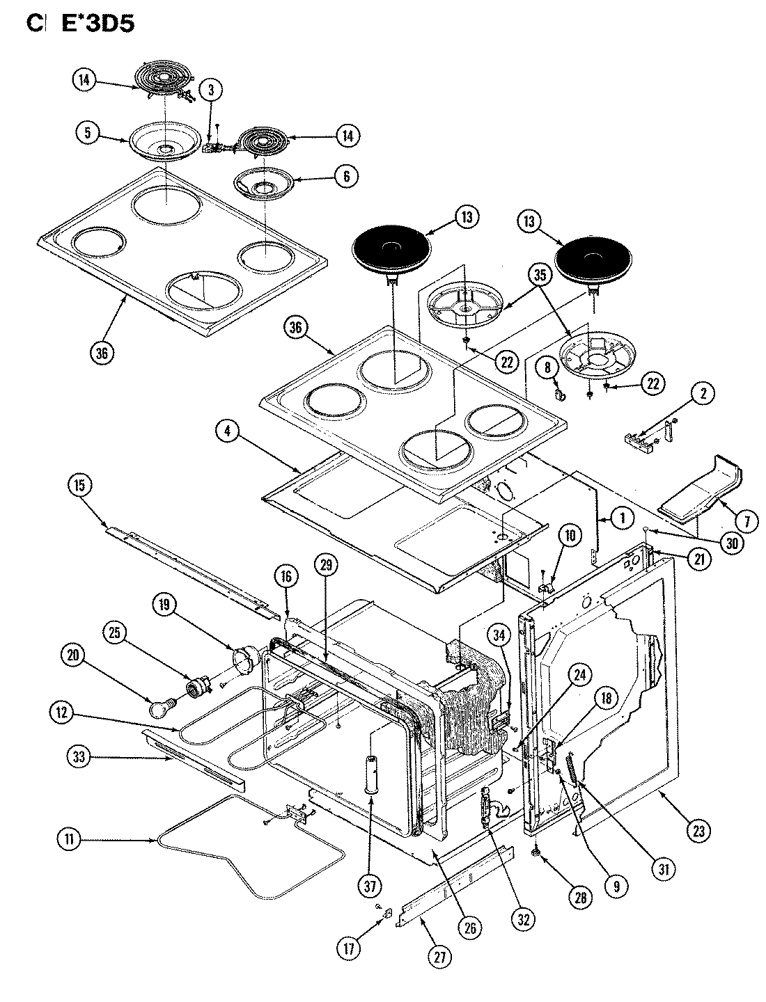
CEA3D5V 01 – BODY