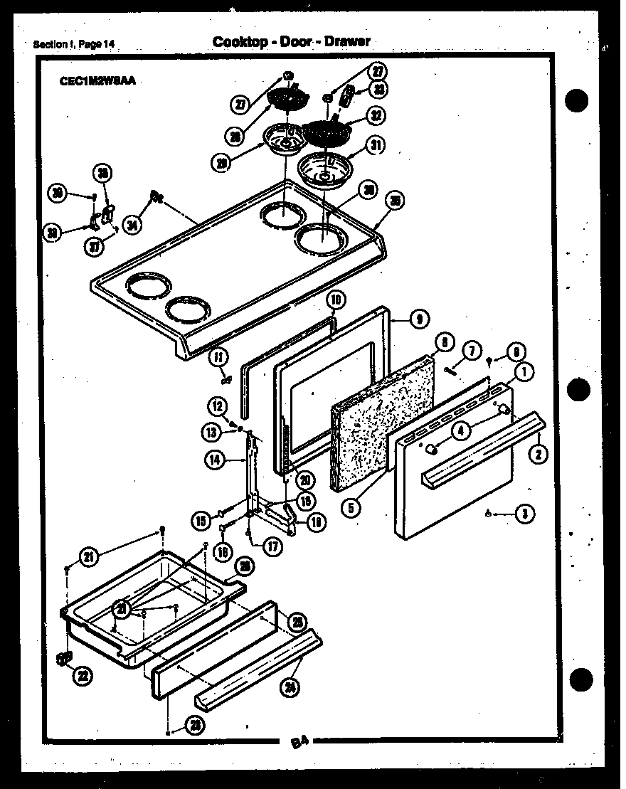
CEA3M2WSTA 10 – COOKTOP-DOOR-DRAWERadmin2025-04-26T08:46:34+00:00CEA3M2WSTA 10 – COOKTOP-DOOR-DRAWER ProductsPositionProduct1WCI K13179304SPACER (2)5WCI K51092027WCI K51042018INSULATION9WCI K132381410GASKET (WITH CLIPS)11WCI K130966613WASHER, PADDED14CHANNEL ASSY (COMPLETE W/ROLLER & STUD)15RIVET16AXLE17WCI K116455018ARM ASSY.19WCI K116754320SPRING21SCREW22GUIDE235303013272 Frigidaire Oven Nut24HANDLE - DRAWER (CHROME)25WCI K132509626DRAWER27WCI K116637928318372210 Frigidaire Oven Range 6" 1250W Surface Element29316048414 Frigidaire Oven Range Chrome 6" Drip Bowl305308014215 Frigidaire Oven Screw31316048413 Frigidaire Oven Range Chrome 8" Drip Bow32316442300 Frigidaire Oven 2100W Coil Element 8335303935058 Frigidaire Oven Burner Receptacle Kit34WCI K131554135WCI K527010136WCI K131563238WCI K131563038WCI K13156313908002868 Frigidaire 0 Screw Assembly