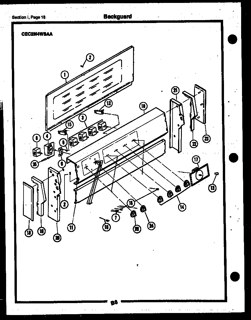
CEC1M1WSTB 12 – BACKGUARDadmin2025-04-26T08:46:22+00:00CEC1M1WSTB 12 – BACKGUARD ProductsPositionProduct1COVER, WIRE208002868 Frigidaire 0 Screw Assembly35303935086 Frigidaire Oven Top Burner Switch Kit4THERMOSTAT6BRACKET7SCREW8SWITCH SELEC.9SCREW10WCI K514000111PANEL BACKSPLASH, WHITE12SIGNAL LIGHT-SURF UNIT13GLASS13KNOB, TIMER13WCI K116767714KNOB-SURFACE UNIT (4)15SIGNAL LIGHT - OVEN16WCI K513900117WCI K514040117BRACKET MOUNTING18WCI K512800219WCI K512810220WCI K512770221SUPPORT-BACKGRD RH22WCI K512810123NUT (3)23WCI K512800124WCI K515940125KNOB - SELECTOR SWITCH26WCI K1301788