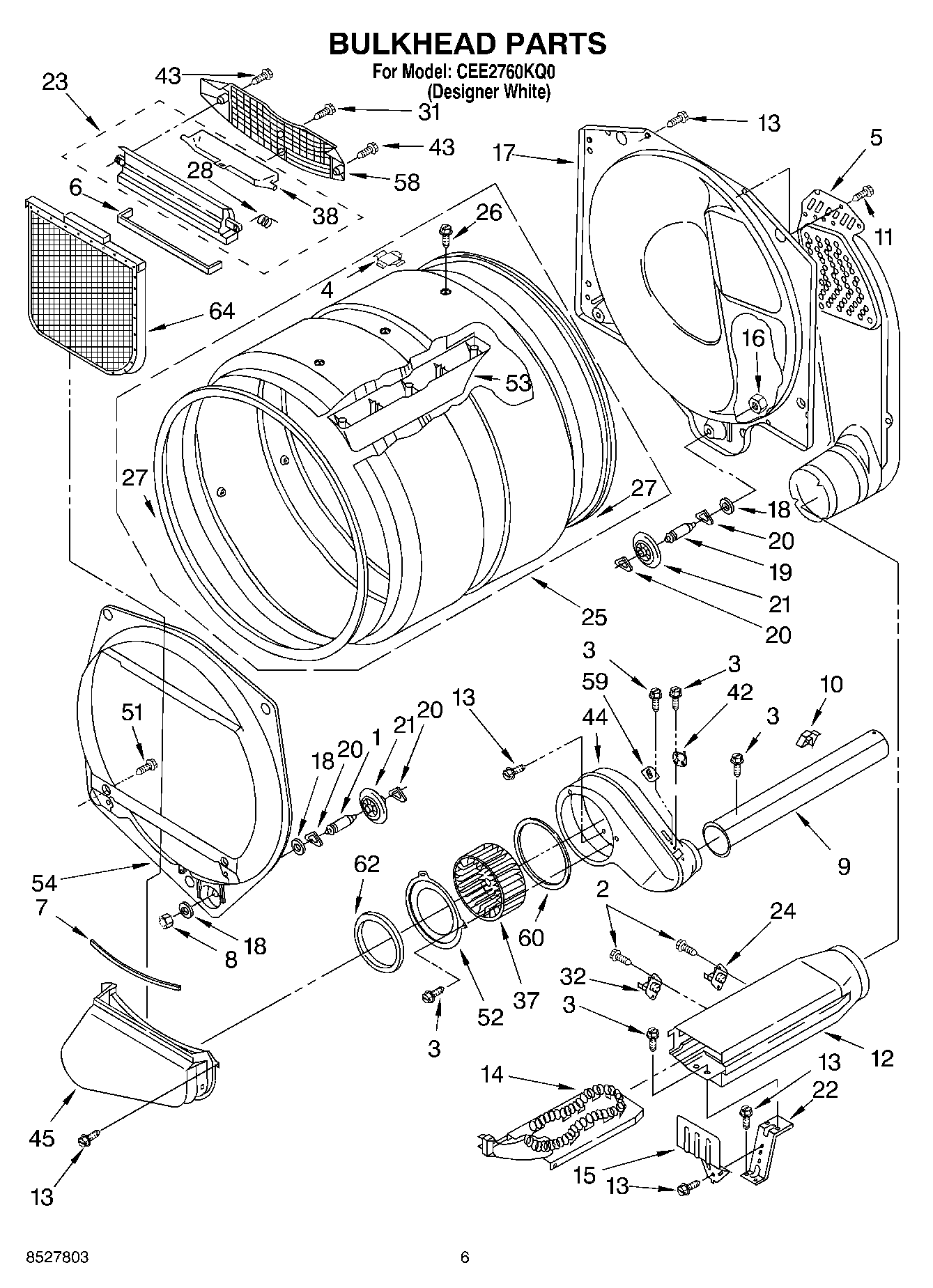
CEE2760KQ0 04 – BULKHEAD

CEE2760KQ0 04 – BULKHEAD

Products

PositionProduct
1SHAFT
2WP90767 Whirlpool Screw
3WPW10139210 Whirlpool Screw
48066086 Whirlpool Plug
5WP3387911 Whirlpool Air Duct
6WP697813 Whirlpool Seal
8WP3359452 Whirlpool Nut
9279936 Whirlpool Exhaust Pipe
10WP3388229 Whirlpool Dryer Spring Clip
11WP693995 Whirlpool Screw
12W10802681 Whirlpool Box Assembly
13WP488729 Whirlpool Refrigerator Door Screw
14W10864898 Whirlpool Dryer Heating Element
15Shield, Heat
16Nut, 3/8-16 (L.H.)
17W11299300 Whirlpool Bulkhead Assembly
18W11236646 Whirlpool Washer Assembly
19SHAFT
20WPW10512946 Whirlpool Dryer Tri-Ring Drum Roller
21WPW10314173 Whirlpool Dryer Drum Support Wheel
22Bracket, Heater
23W11129408 Whirlpool Out Housing
24279973 Whirlpool Dryer Thermal Cut-Off and High Limit Thermostat Kit
25W10545923 Whirlpool Drum Assembly
26WPW10109200 Whirlpool Screw
27280114 Whirlpool Dryer Drum Seal
28WP3394986 Whirlpool Spring
32THRMST-FIX
37WP697772 Whirlpool Dryer Blower Wheel
38W11222846 Whirlpool Door
42WP3387138 Whirlpool Cycling Thermostat
43WP3387230 Whirlpool Screw
44WP8544363 Whirlpool Housing
45Lint Duct Assembly
51WP308685 Whirlpool Microwave Screw
52279780 Whirlpool Plate Cover
53WPW10113136 Whirlpool Drum Baffle
54WP697557 Whirlpool Bulkhead Assembly
58W11086603 Whirlpool Dryer Link Screen Air Grille
59WP3390719 Whirlpool Dryer Thermal Fuse
60WP697770 Whirlpool Blower Cover Plate Seal
62WP8566209 Whirlpool Seal
64W10120998 Whirlpool Dryer Lint Screen Filter
64799344 Whirlpool Refrigerator Paint
64350930 Whirlpool White Spray Paint
64350938 Whirlpool Spray Gun
6472017 Whirlpool Appliance Touch-Up Paint White