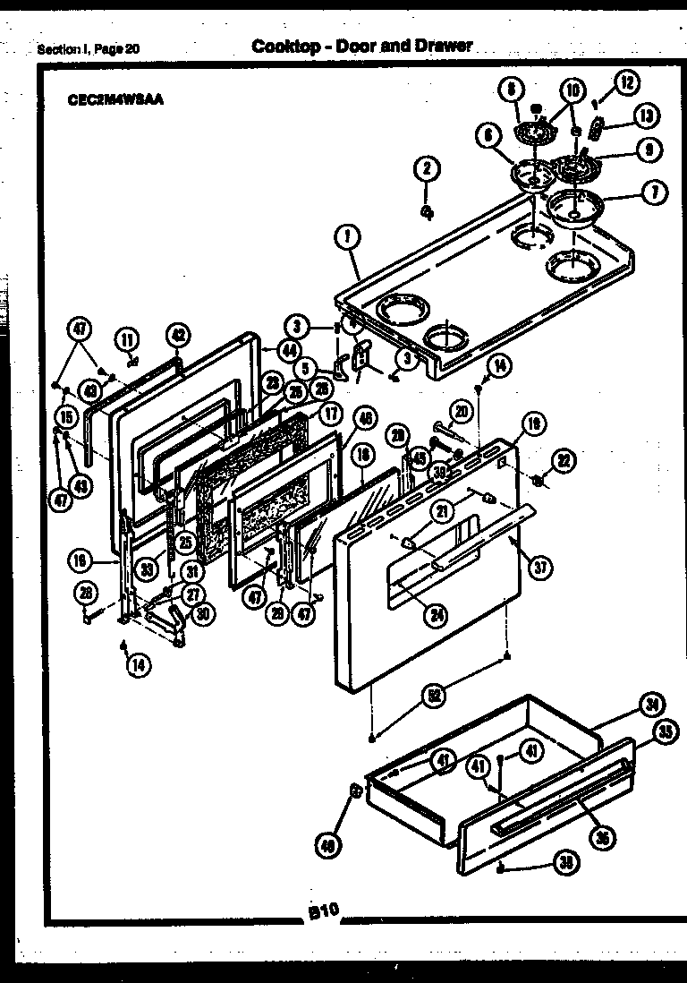
CEE2M4WSAA 13 – COOKTOP-DOOR AND DRAWERadmin2025-04-26T08:48:20+00:00CEE2M4WSAA 13 – COOKTOP-DOOR AND DRAWER ProductsPositionProduct1WCI K52701082WCI K1315541308002868 Frigidaire 0 Screw Assembly4WCI K13156325WCI K13156315WCI K13156306316048414 Frigidaire Oven Range Chrome 6" Drip Bowl7316048413 Frigidaire Oven Range Chrome 8" Drip Bow8318372210 Frigidaire Oven Range 6" 1250W Surface Element95308011964 Frigidaire Surface Element P110WCI K116637911WCI K1309666125308014215 Frigidaire Oven Screw135303935058 Frigidaire Oven Burner Receptacle Kit16CHANNEL ASSY (COMPLETE W/ROLLER & STUD)17WCI K132562918WCI K132551219WCI K132549420WCI K131398321SPACER (2)22WCI K131007123WCI K132568624MOULDING OUTER GLASS25WCI K132551026GLASS - INNER DOOR27WCI K130979428RIVET29WCI K132527030ARM ASSY.31AXLE33SPRING34DRAWER35WCI K132509637HANDLE385303013272 Frigidaire Oven Nut39WCI K109996240GUIDE41SCREW42GASKET (WITH CLIPS)43WASHER, PADDED44WCI K132550145WCI K510420146WCI K132550947WCI K1164550