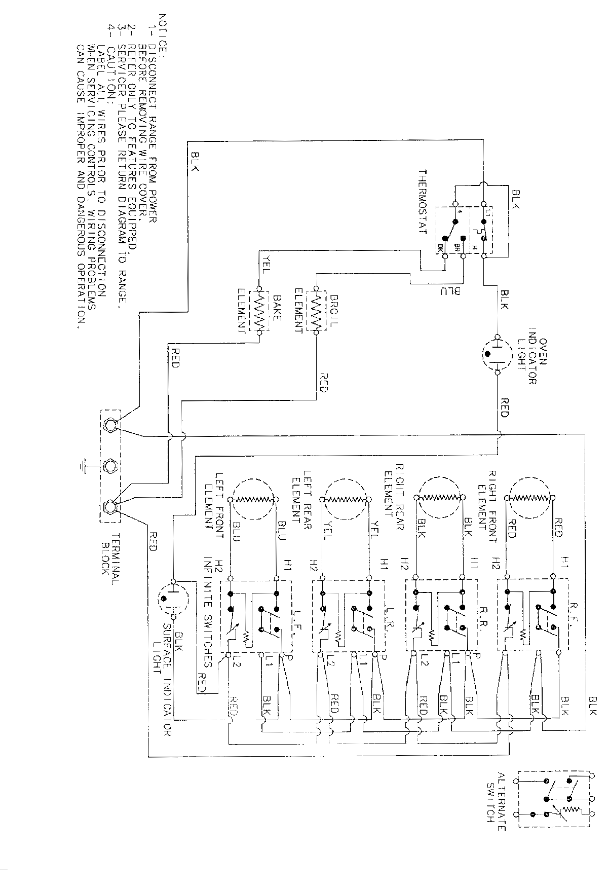
CEL1110AAH 05 – WIRING INFORMATIONadmin2025-04-26T08:57:30+00:00CEL1110AAH 05 – WIRING INFORMATION ProductsPositionProductNIMAY 15002164NIMAY 15003351