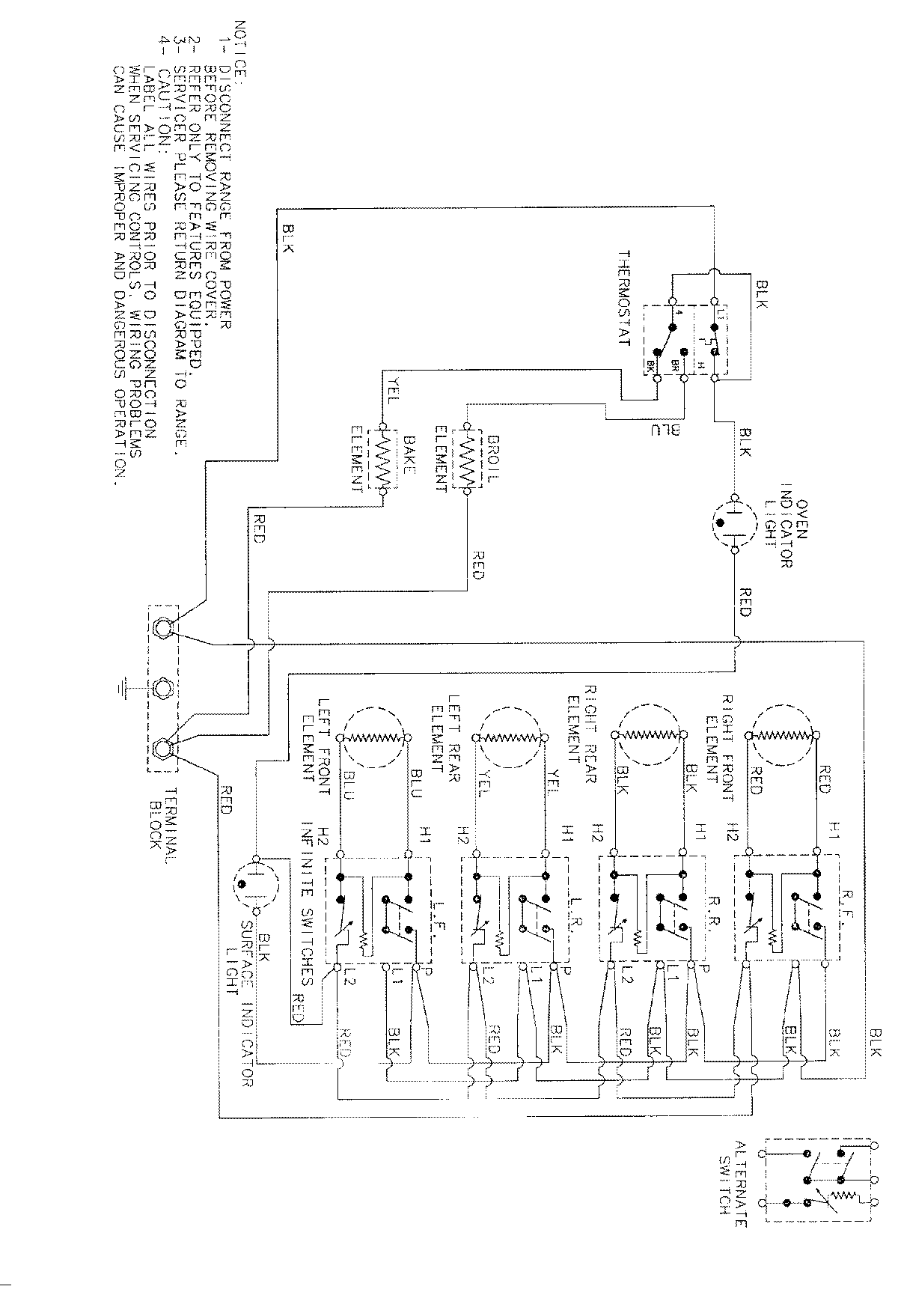
CEL1115AAH 05 – WIRING INFORMATION (AAH)admin2025-04-26T08:58:37+00:00CEL1115AAH 05 – WIRING INFORMATION (AAH) ProductsPositionProductNIMAY 15002164NIMAY 15003351