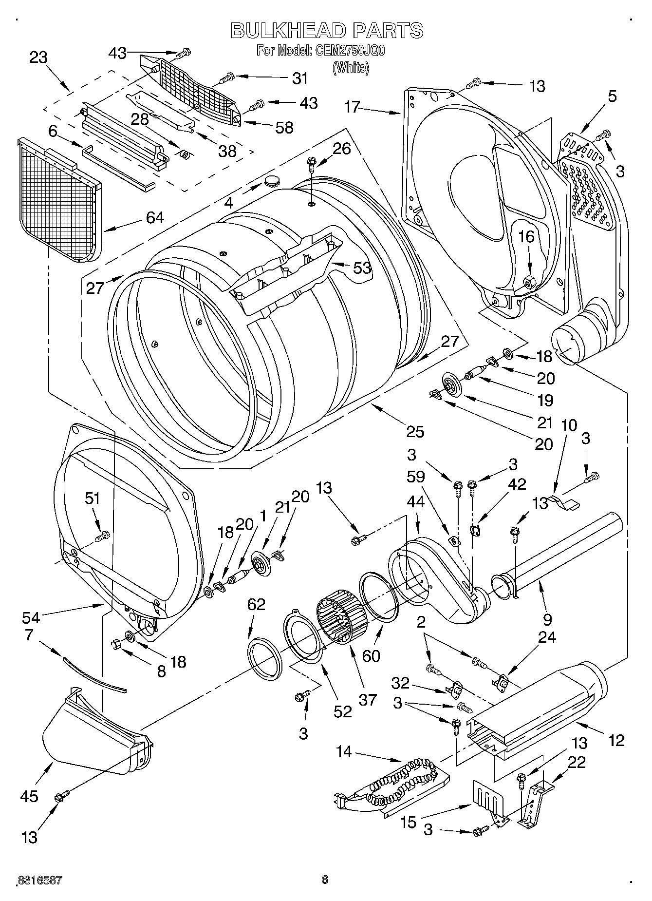
| 1 | SHAFT |
| 2 | WP90767 Whirlpool Screw |
| 3 | WPW10139210 Whirlpool Screw |
| 4 | 8066086 Whirlpool Plug |
| 5 | WP3387911 Whirlpool Air Duct |
| 6 | WP697813 Whirlpool Seal |
| 8 | WP3359452 Whirlpool Nut |
| 9 | 279936 Whirlpool Exhaust Pipe |
| 10 | WP3395536 Whirlpool Clip Assembly |
| 12 | W10802681 Whirlpool Box Assembly |
| 13 | WP488729 Whirlpool Refrigerator Door Screw |
| 14 | W10864898 Whirlpool Dryer Heating Element |
| 15 | Shield, Heat |
| 16 | Nut, 3/8-16 (L.H.) |
| 17 | W11299300 Whirlpool Bulkhead Assembly |
| 18 | W11236646 Whirlpool Washer Assembly |
| 19 | SHAFT |
| 20 | WPW10512946 Whirlpool Dryer Tri-Ring Drum Roller |
| 21 | WPW10314173 Whirlpool Dryer Drum Support Wheel |
| 22 | Bracket, Heater |
| 23 | W11129408 Whirlpool Out Housing |
| 24 | 279973 Whirlpool Dryer Thermal Cut-Off and High Limit Thermostat Kit |
| 25 | W10545924 Whirlpool Drum Assembly |
| 26 | WPW10109200 Whirlpool Screw |
| 27 | 280114 Whirlpool Dryer Drum Seal |
| 28 | WP3394986 Whirlpool Spring |
| 32 | THRMST-FIX |
| 37 | WP697772 Whirlpool Dryer Blower Wheel |
| 38 | W11222846 Whirlpool Door |
| 42 | WP3387138 Whirlpool Cycling Thermostat |
| 43 | WP3387230 Whirlpool Screw |
| 44 | WP8544363 Whirlpool Housing |
| 45 | Lint Duct Assembly |
| 51 | WP308685 Whirlpool Microwave Screw |
| 52 | 279780 Whirlpool Plate Cover |
| 53 | WPW10113136 Whirlpool Drum Baffle |
| 54 | WP697557 Whirlpool Bulkhead Assembly |
| 58 | W11086603 Whirlpool Dryer Link Screen Air Grille |
| 59 | WP3390719 Whirlpool Dryer Thermal Fuse |
| 60 | WP697770 Whirlpool Blower Cover Plate Seal |
| 62 | WP8566209 Whirlpool Seal |
| 64 | W10120998 Whirlpool Dryer Lint Screen Filter |
| 64 | 350930 Whirlpool White Spray Paint |
| 64 | 799344 Whirlpool Refrigerator Paint |
| 64 | 72017 Whirlpool Appliance Touch-Up Paint White |
| 64 | 350938 Whirlpool Spray Gun |