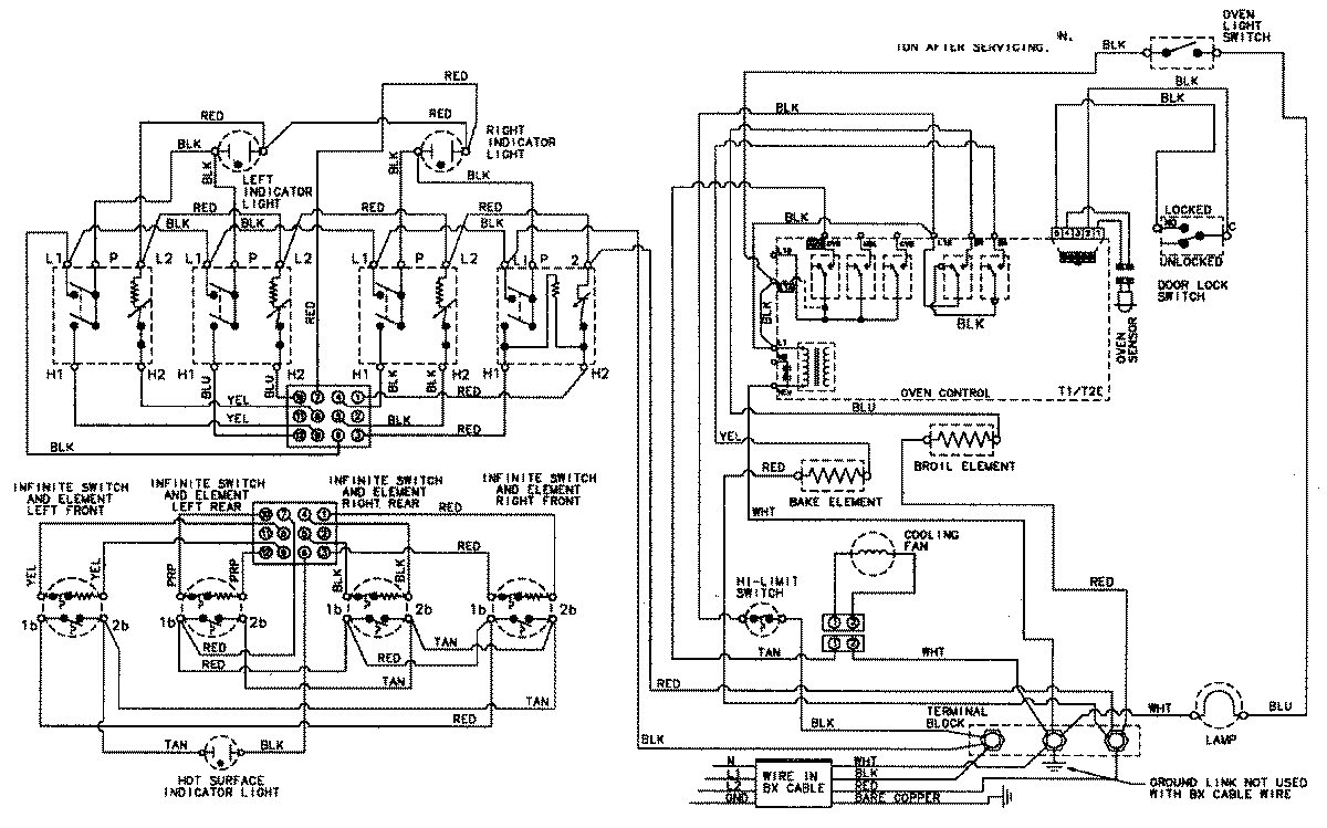
CEP3760AAA 05 – WIRING INFORMATIONadmin2025-04-26T08:58:04+00:00CEP3760AAA 05 – WIRING INFORMATION ProductsPositionProductNIMAY 15002526