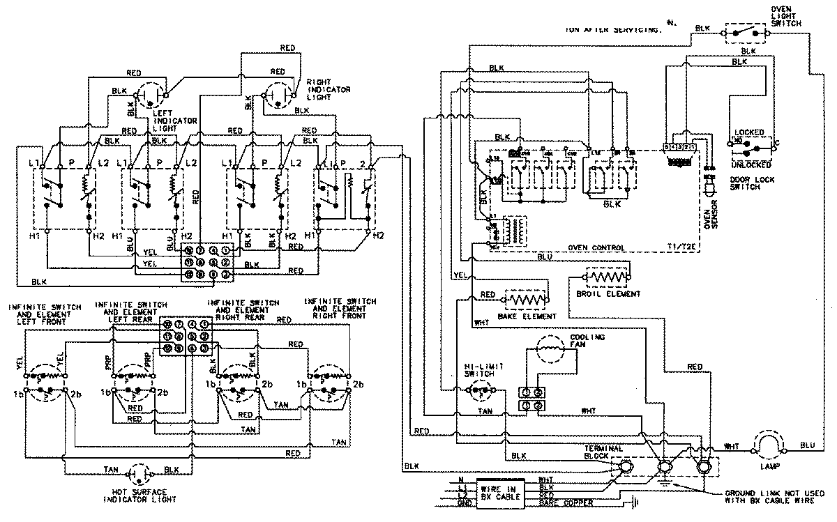
CEP3760AAB 05 – WIRING INFORMATIONadmin2025-04-26T08:57:31+00:00CEP3760AAB 05 – WIRING INFORMATION ProductsPositionProductNIMAY 15002526