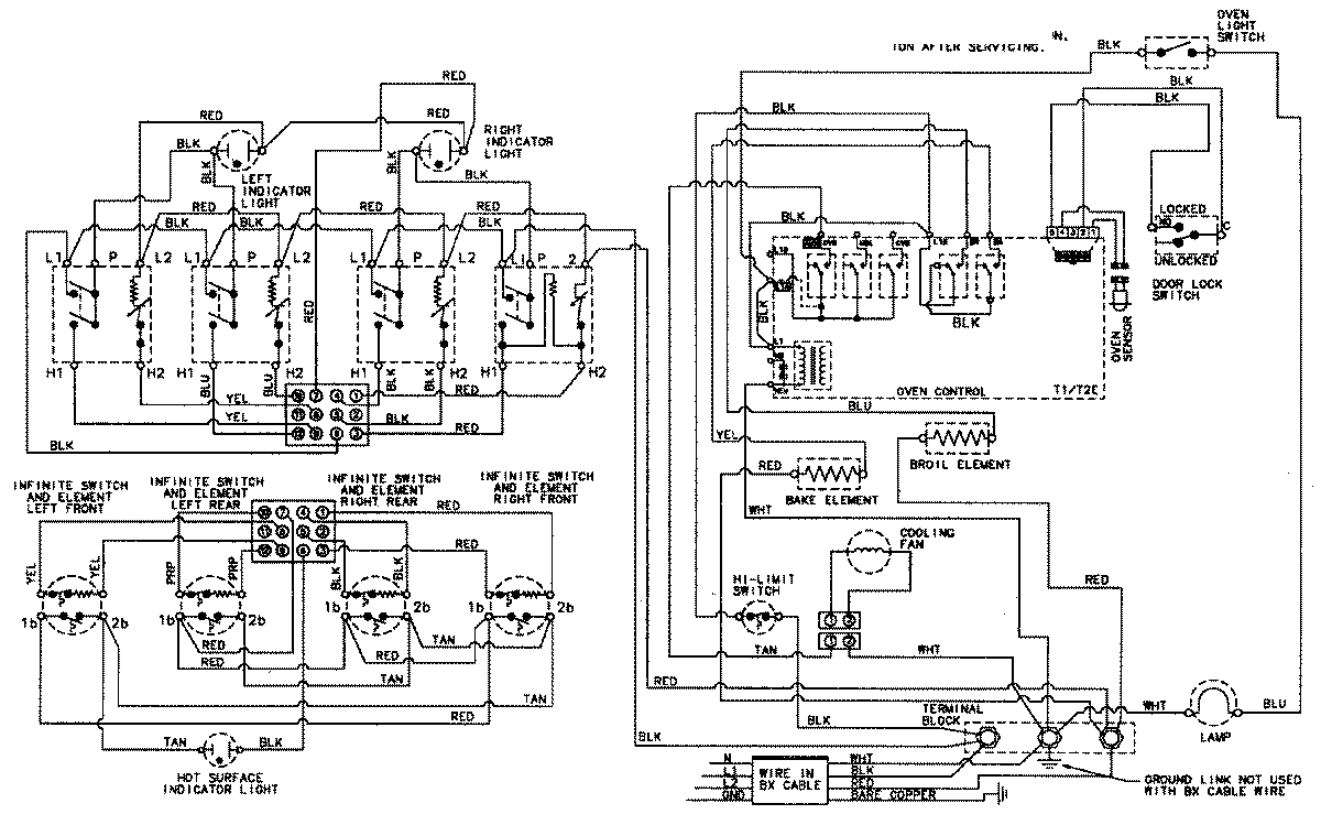
CEP3760AAQ 04 – WIRING INFORMATIONadmin2025-04-26T08:57:49+00:00CEP3760AAQ 04 – WIRING INFORMATION ProductsPositionProductNIMAY 15002526