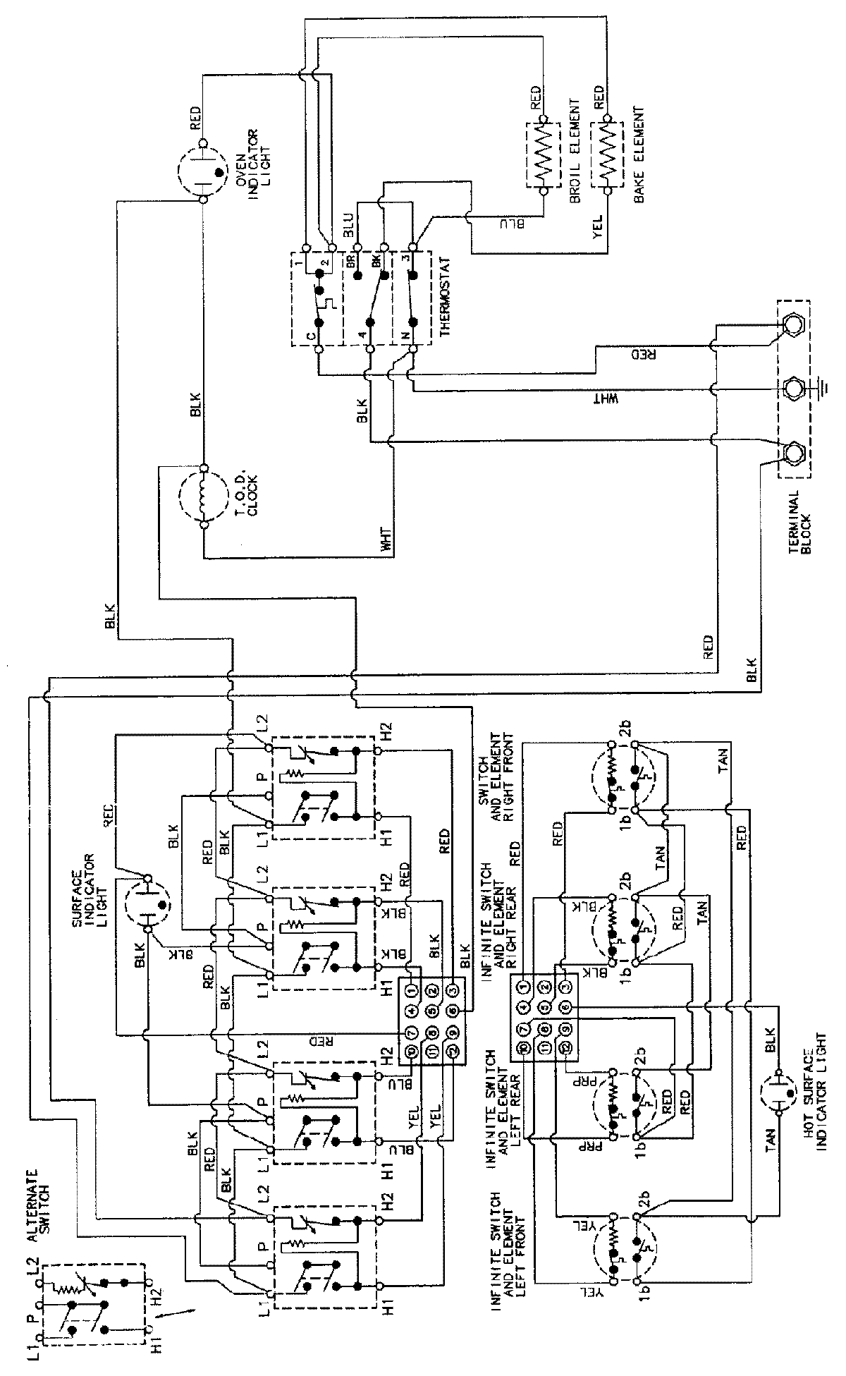
CER1450AAH 06 – WIRING INFORMATIONadmin2025-04-26T08:57:38+00:00CER1450AAH 06 – WIRING INFORMATION ProductsPositionProductNIMAY 15002231