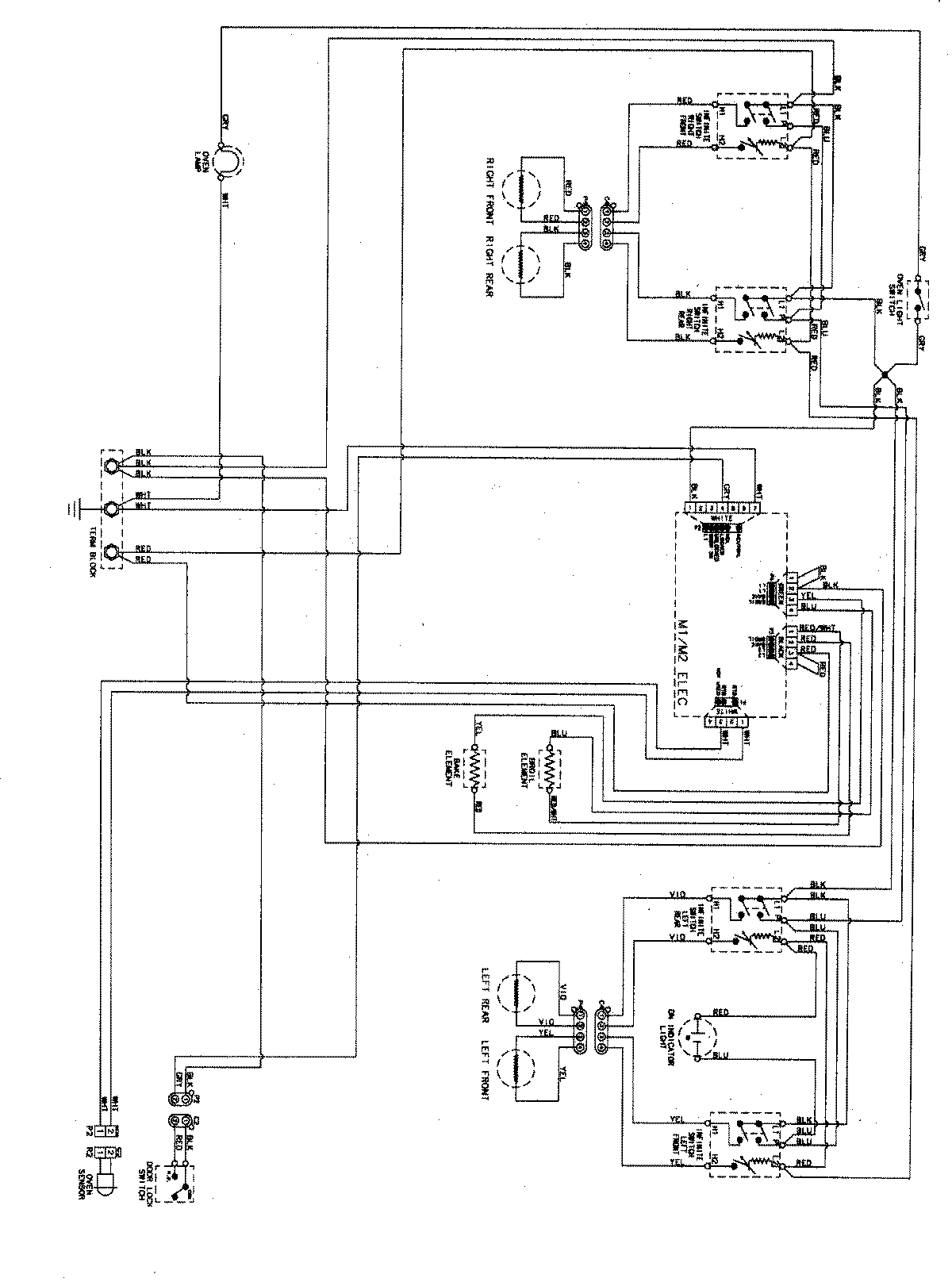
CER3525AAB 07 – WIRING INFORMATIONadmin2025-04-26T08:58:09+00:00CER3525AAB 07 – WIRING INFORMATION ProductsPositionProductNIMAY 15003494