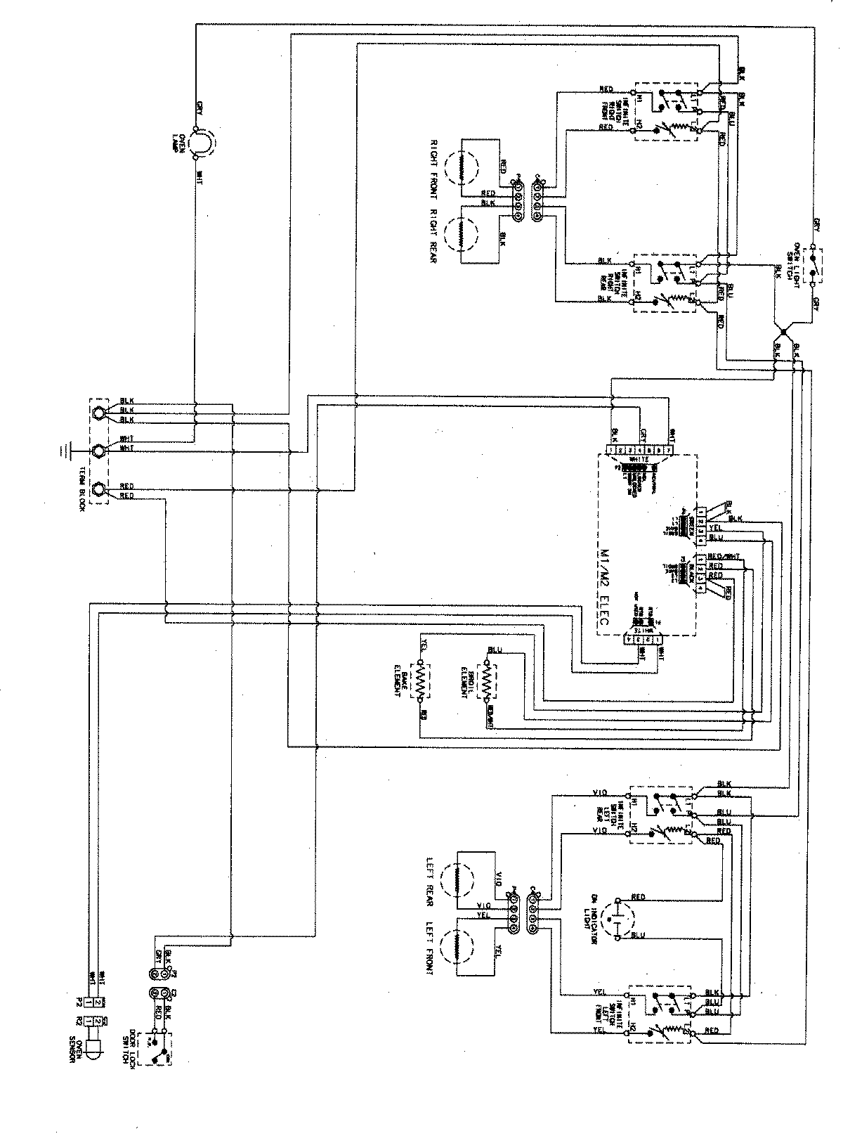
CER3525AAQ 07 – WIRING INFORMATIONadmin2025-04-26T08:58:43+00:00CER3525AAQ 07 – WIRING INFORMATION ProductsPositionProductNIMAY 15003494