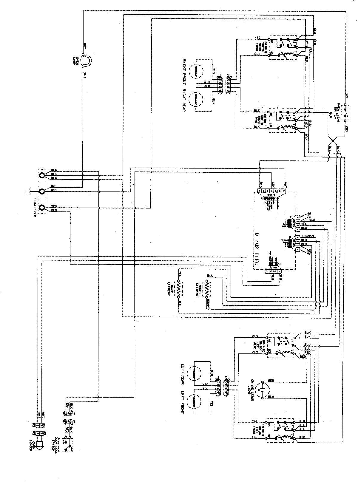
CER3525AAW 07 – WIRING INFORMATIONadmin2025-04-26T08:57:41+00:00CER3525AAW 07 – WIRING INFORMATION ProductsPositionProductNIMAY 15003494