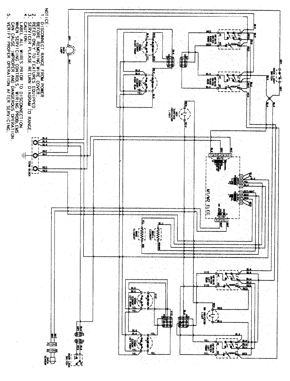
CER3725AAB 06 – WIRING INFORMATION

CER3725AAB 06 – WIRING INFORMATION

Products

PositionProduct
NIMAY 15003512