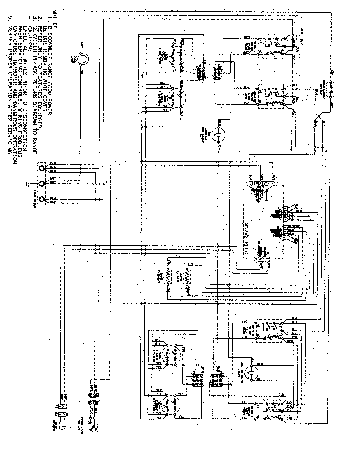
CER3725AAS 06 – WIRING INFORMATIONadmin2025-04-26T08:57:36+00:00CER3725AAS 06 – WIRING INFORMATION ProductsPositionProductNIMAY 15003512