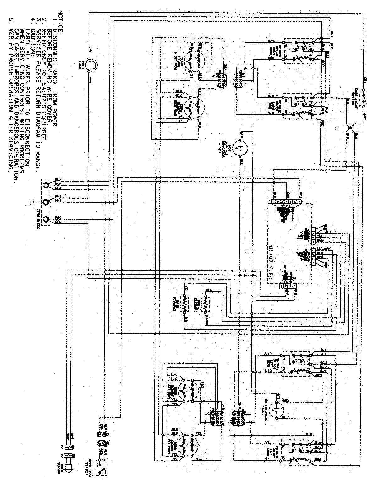
CER3725AAW 06 – WIRING INFORMATIONadmin2025-04-26T08:58:17+00:00CER3725AAW 06 – WIRING INFORMATION ProductsPositionProductNIMAY 15003512