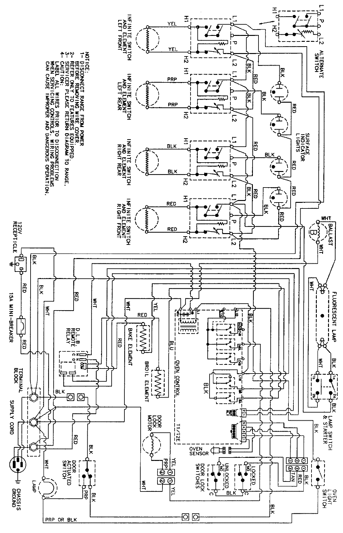
CER3760ACQ 05 – WIRING INFORMATIONadmin2025-04-26T09:00:09+00:00CER3760ACQ 05 – WIRING INFORMATION ProductsPositionProductNIMAY 15002345