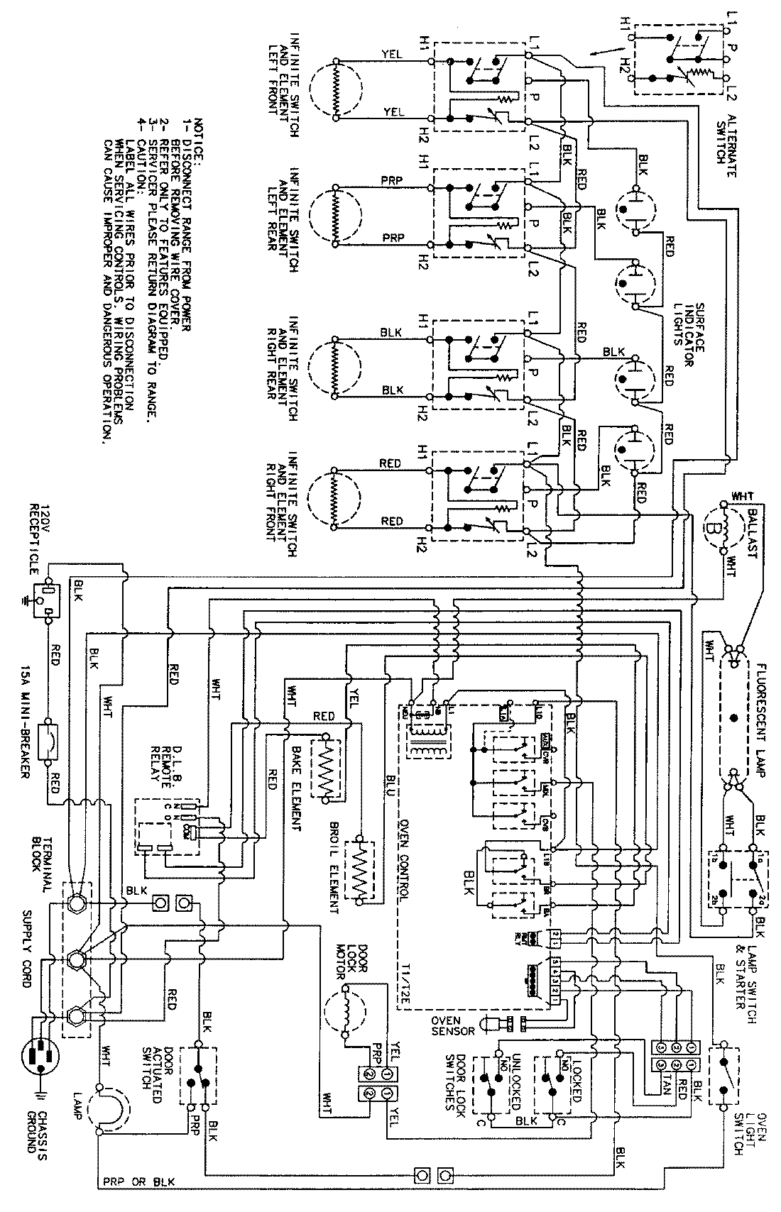
CER3760ACW 06 – WIRING INFORMATIONadmin2025-04-26T08:59:51+00:00CER3760ACW 06 – WIRING INFORMATION ProductsPositionProductNIMAY 15002345