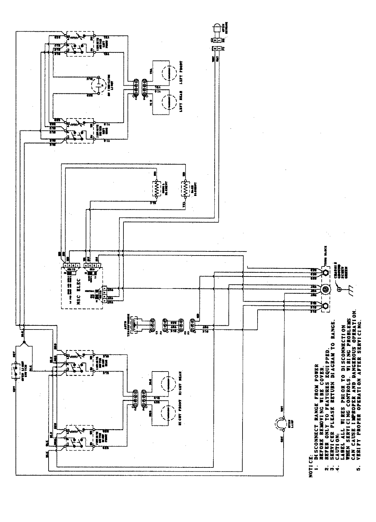
CER4351AGW 06 – WIRING INFORMATIONadmin2025-04-26T08:57:39+00:00CER4351AGW 06 – WIRING INFORMATION ProductsPositionProductNIMAY 15003826