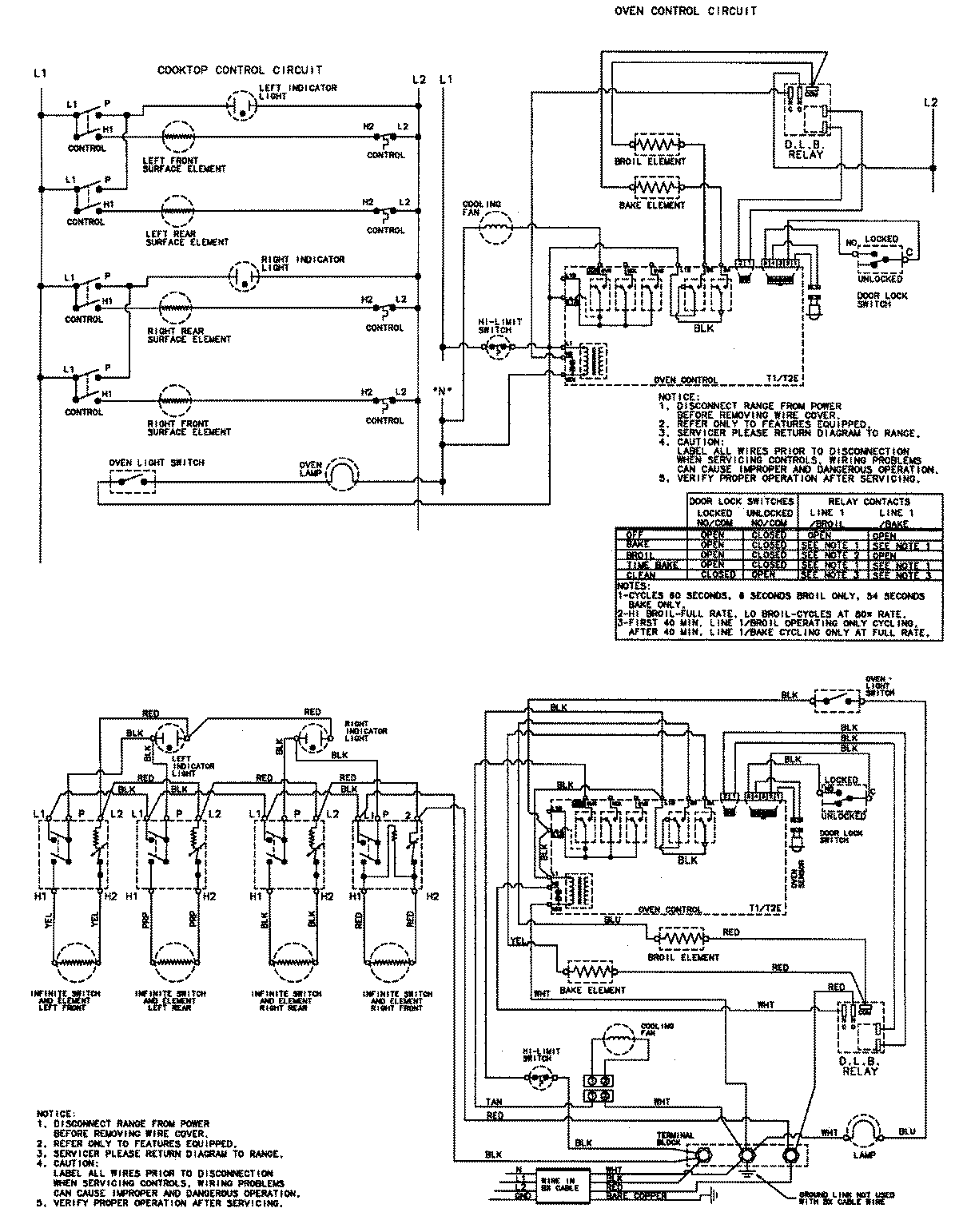
CES3540ACW 05 – WIRING INFORMATION

CES3540ACW 05 – WIRING INFORMATION

Products

PositionProduct
NIMAY 15002651