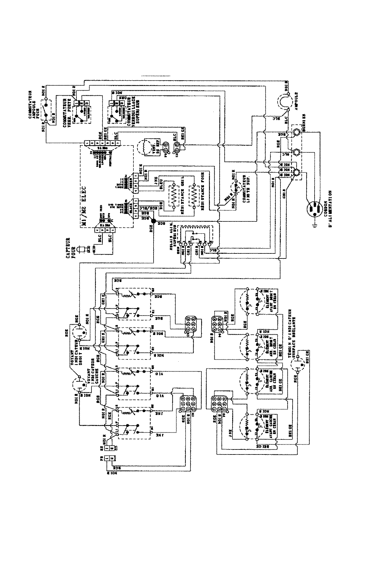
CES3759BCB 07 – WIRING INFORMATION (FRENCH)admin2025-04-26T08:57:47+00:00CES3759BCB 07 – WIRING INFORMATION (FRENCH) ProductsPositionProductNIMAY 15003755