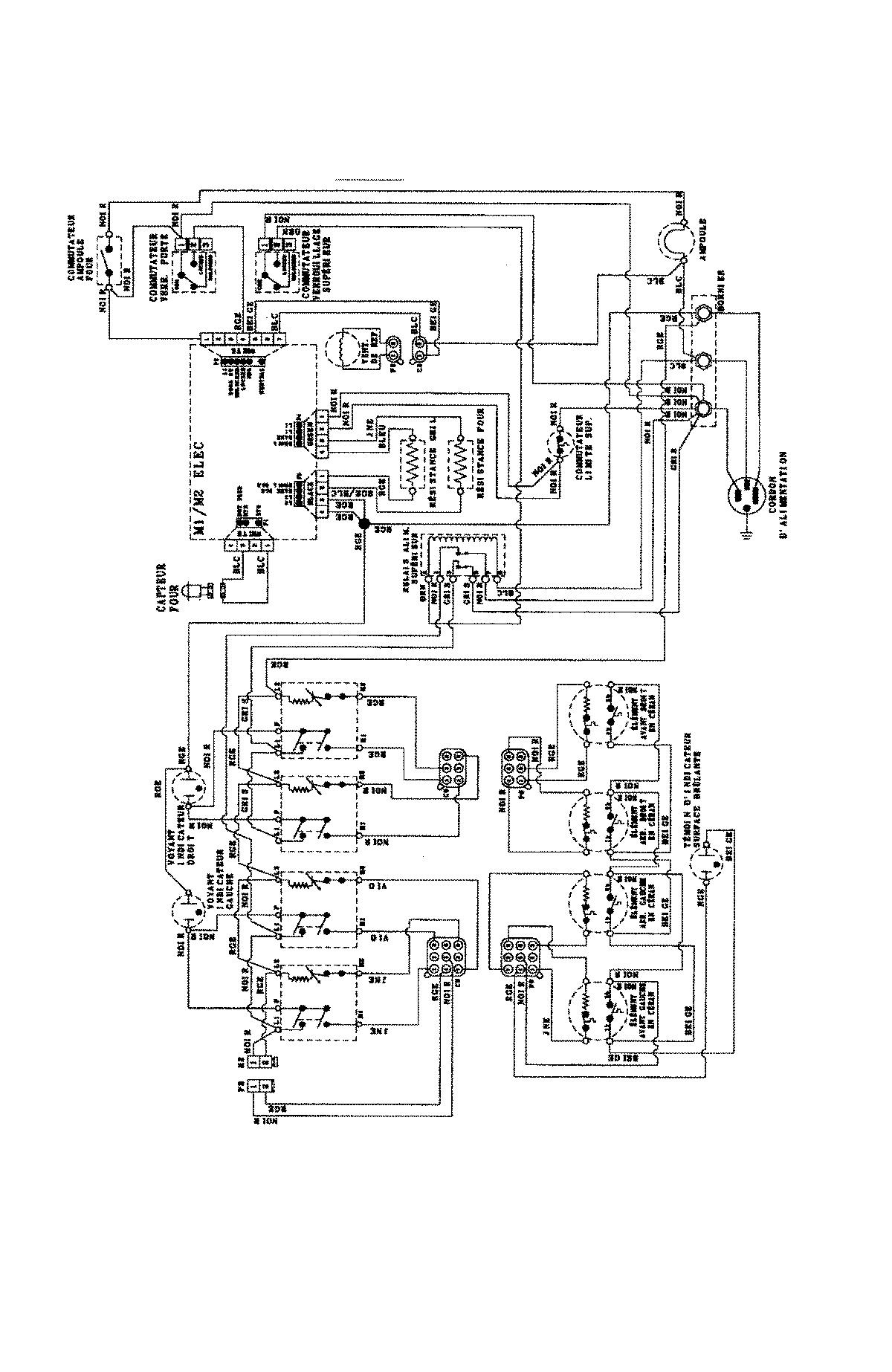
CES3759BCS 07 – WIRING INFORMATION (FRENCH)admin2025-04-26T08:58:19+00:00CES3759BCS 07 – WIRING INFORMATION (FRENCH) ProductsPositionProductNIMAY 15003755