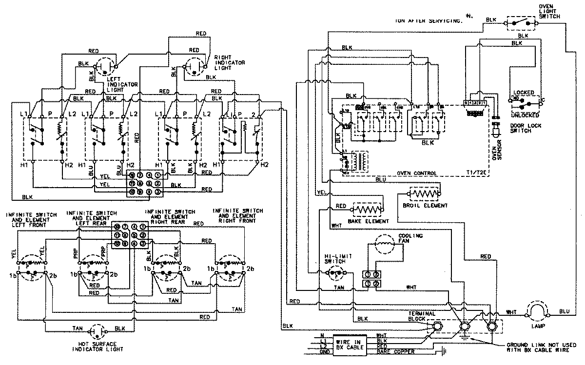
CES3760AAA 05 – WIRING INFORMATIONadmin2025-04-26T08:58:43+00:00CES3760AAA 05 – WIRING INFORMATION ProductsPositionProductNIMAY 15002526