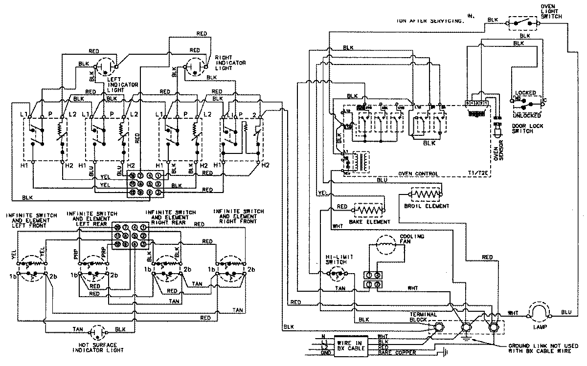
CES3760AAB 05 – WIRING INFORMATIONadmin2025-04-26T09:00:10+00:00CES3760AAB 05 – WIRING INFORMATION ProductsPositionProductNIMAY 15002526NIMAY 15003354