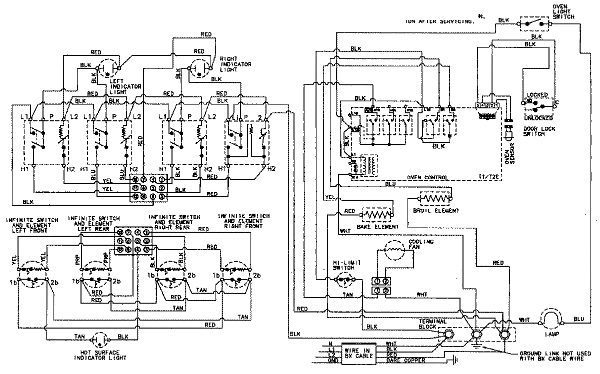
CES3760AAQ 05 – WIRING INFORMATIONadmin2025-04-26T08:59:15+00:00CES3760AAQ 05 – WIRING INFORMATION ProductsPositionProductNIMAY 15002526NIMAY 15003354