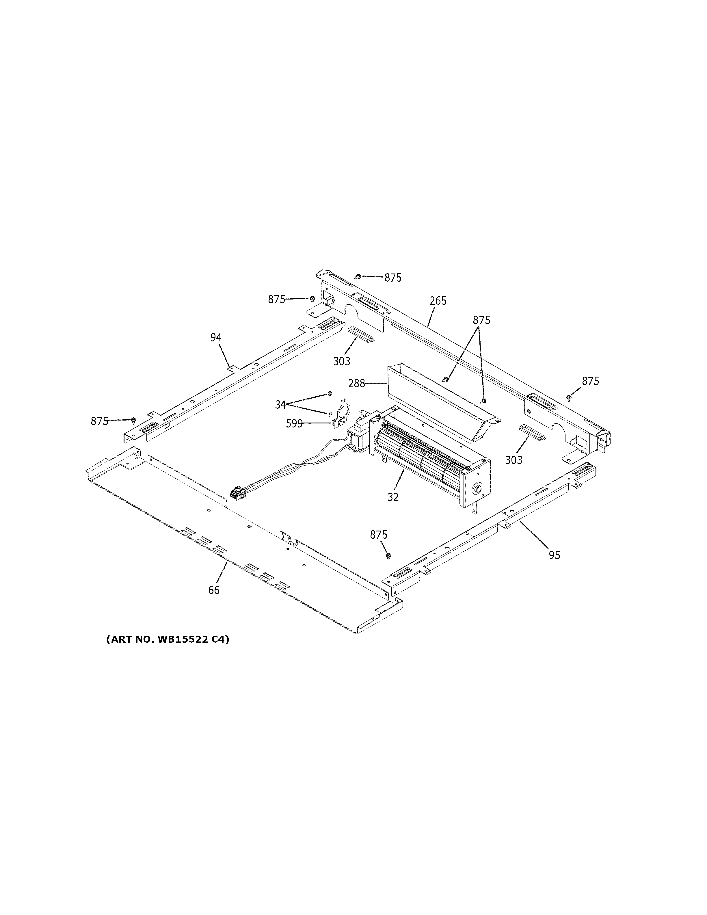
| 32 | WB26X29203 GE Oven Blower Fan Assembly |
| 34 | WB01T10133 GE Hex Nut M4-0.7 Thread |
| 66 | ENCLOSURE CONTROL |
| 94 | CHASIS BRACE LT |
| 95 | CHASIS BRACE RT |
| 265 | WB07X29660 GE Rear Trim Support |
| 288 | WB34X29236 GE Duct Assembly |
| 303 | WB35X30083 GE Vent Tube Gasket |
| 599 | WB27X28659 GE Oven Sensor Board |
| 875 | WH2X930 GE Screw |