| NI | 316021104 Frigidaire Oven Screw Assembly |
| NI | WCI 7316434900 |
| NI | WCI 7316526900 |
| NI | 316001017 Frigidaire Screw |
| NI | WCI 7316443200 |
| NI | WCI 7316064103 |
| NI | 316089500 Frigidaire Oven Screw |
| NI | 316021109 Frigidaire Oven Screw |
| NI | 5303271648 Frigidaire Oven Screw |
| NI | 316215600 Frigidaire Oven Screw |
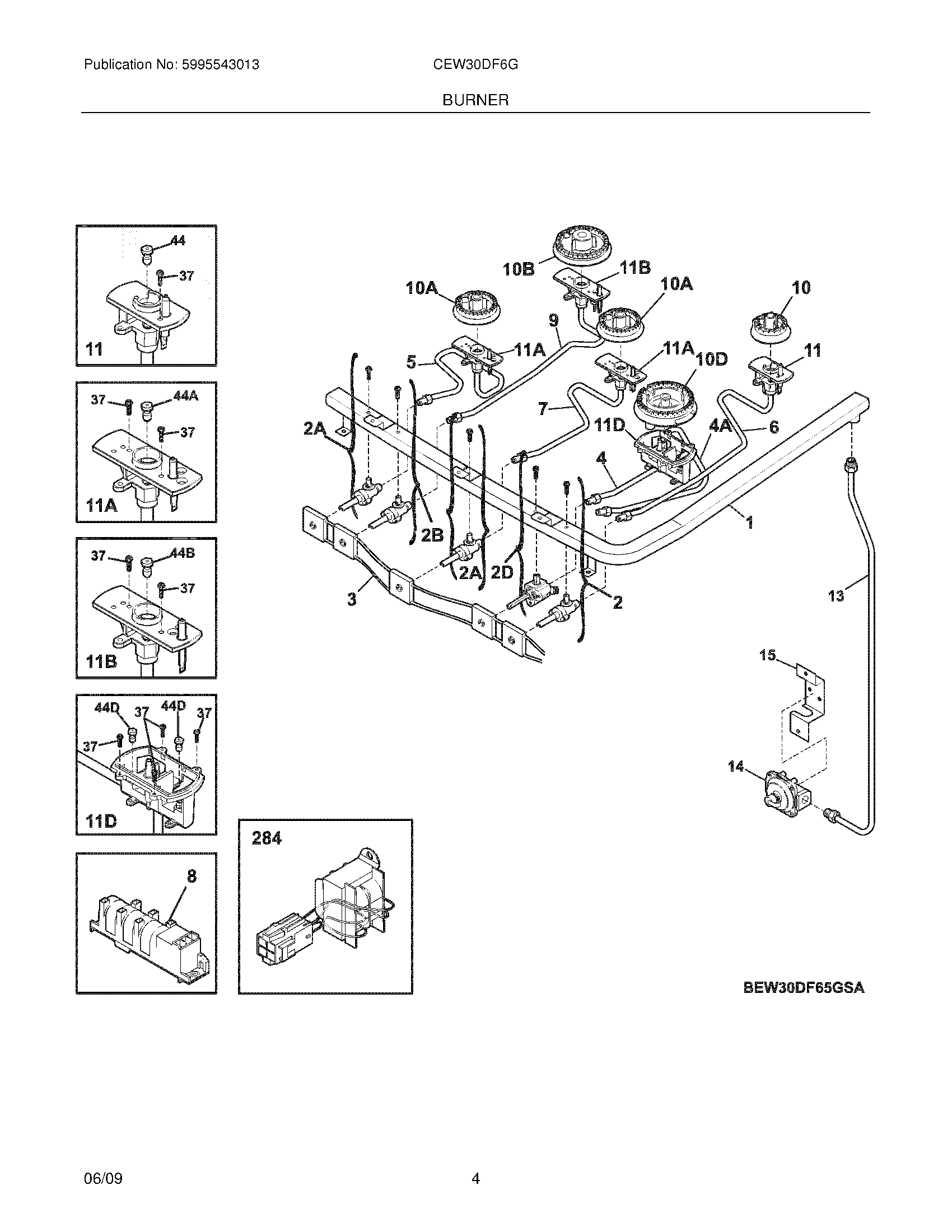
| 1 | WCI 7316505200 |
| 2B | WCI 7316520703 |
| 2 | WCI 7316520700 |
| 2D | WCI 7316412512 |
| 2A | 316520701 Frigidaire Oven Valve Assembly |
| 3 | 316518201 Frigidaire Assembly Harness |
| 4 | WCI 7316509000 |
| 4A | WCI 7316509100 |
| 5 | WCI 7316509300 |
| 6 | WCI 7316509200 |
| 7 | WCI 7316509400 |
| 8 | SPARK MODULE |
| 9 | WCI 7316526600 |
| 10A | WCI 7316511000 |
| 10 | 316510800 Frigidaire Oven Burner |
| 10D | WCI 7316525400 |
| 10B | 316511200 Frigidaire Oven Burner |
| 11B | WCI 7316525000 |
| 11A | WCI 7316524900 |
| 11 | WCI 7316524800 |
| 11D | WCI 7316525100 |
| 13 | WCI 7316545700 |
| 14 | WCI 7318122700 |
| 15 | 316091600 Frigidaire Oven Bracket |
| 37 | 316540900 Frigidaire Oven Screw |
| 44D | WCI 7316523509 |
| 44 | WCI 7316523504 |
| 44A | WCI 7316523500 |
| 44B | WCI 7316523506 |
| 44D | WCI 7316523508 |
| 284 | 316536100 Frigidaire Transformer |