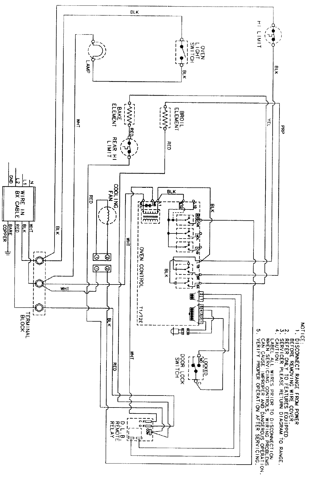
CEW3330ACB 06 – WIRING INFORMATION (CEW3330ACx)admin2025-04-26T08:57:58+00:00CEW3330ACB 06 – WIRING INFORMATION (CEW3330ACx) ProductsPositionProductNIMAY 15002473