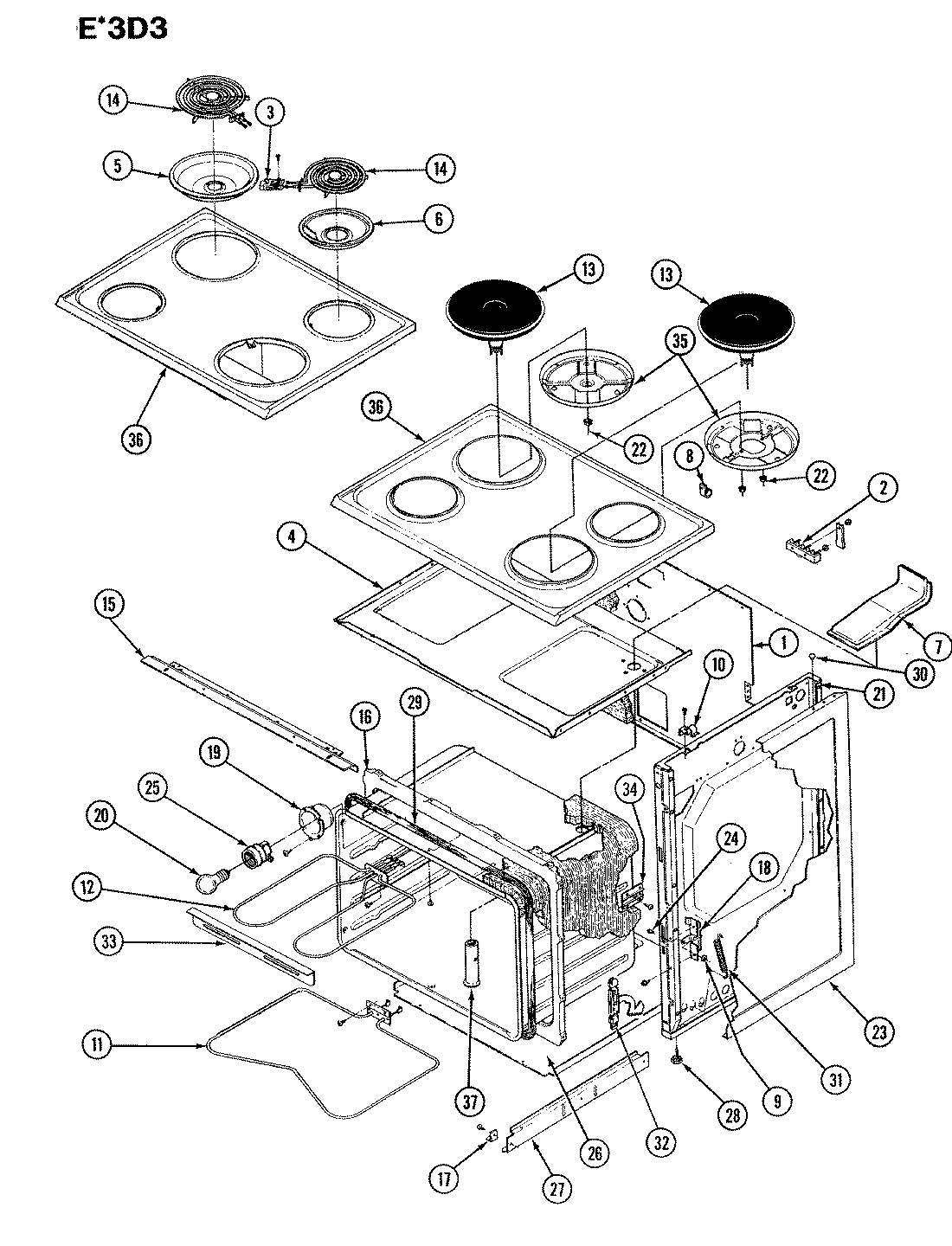
CEW3D3X 01 – BODY