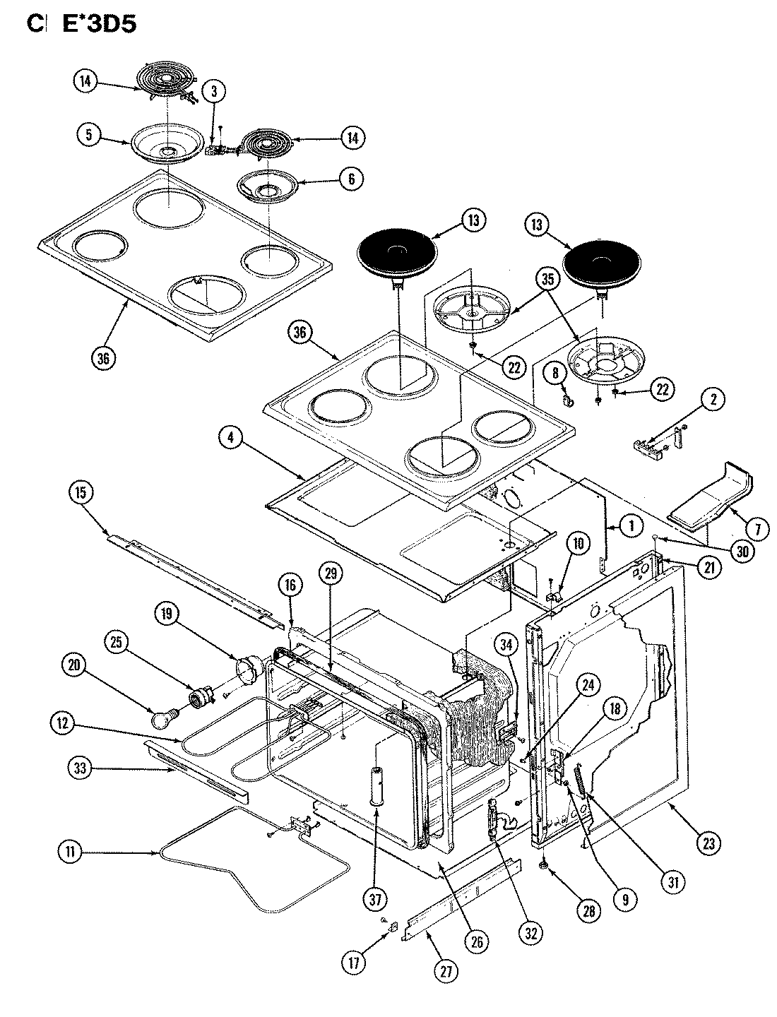
CEW3D5DLX 01 – BODY